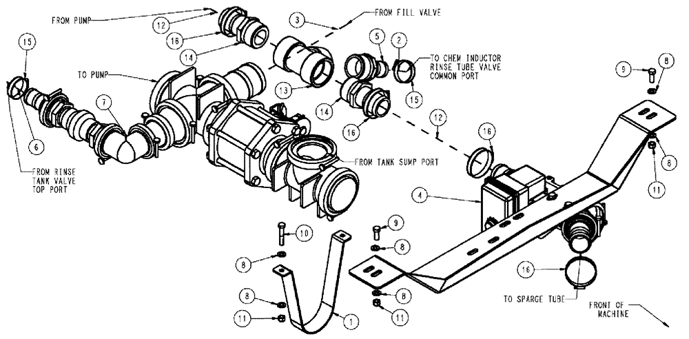
Запчасти Case IH SPX3310 (09-008) - BOTTOM PLUMBING GROUP Liquid Plumbing

Схема запчастей Case IH SPX3310 - (09-008) - BOTTOM PLUMBING GROUP Liquid Plumbing
4
16
16
2
12
14
13
8
11
8
7
16
12
11
9
6
15
16
15
8
8
5
3
9
10
1
14
11
8
8
FIT
1:1
100%

Артикул

Название

Примечание

Количество

1

86986136

STRAP

SUMP TEE, LONG

1шт.

2

86986358

HOSE,1.50" ID x 32.00"

1шт.

3

BN326025

HOSE,3.00" ID BULK

S/D, EPDM

1шт.

Cut 21.5" from bulk roll

1шт.

4

NS

NOT SERVICED

Group, Sparge Valve

1шт.

See Fig. 09-009

1шт.

5

BN305163

FITTING,2" - 11-1/2 Male NPT x 1-1/2" Hose Barb, Poly

2" NPT x 1.5" Hose Barb

1шт.

6

BN321920

HOSE,1.50" ID x 93.00"

Kanaflex

1шт.

7

BN325783

PLBG, UNDER SUMP

1шт.

See Fig. 09-010

1шт.

8

BN50146

WASHER,3/8", Stainless

12шт.

9

BN50254

BOLT,3/8"-16 x 1", Stainless

4шт.

10

BN50267

BOLT,3/8"-16 x 2", Stainless Steel

2шт.

11

BN50759

LOCK NUT,3/8"-16, Nylon, Stainless

6шт.

12

BN65559

HOSE

2" EPDM x 9.00"

2шт.

13

BN73779

TEE,2" Poly Tee

2" Poly Pipe

1шт.

14

BN73781

FITTING,2" Male NPT x 2" Hose Barb, Poly

2" NPT x 2" Hose Barb

2шт.

15

BN310448

HOSE CLAMP

#28, Stainless Steel

2шт.

16

BN310449

CLAMP,50mm - 65mm

#32, Stainless Steel

4шт.

Выбрано товаров: 19