Запчасти Case IH SPX3310 (09-025) - VALVE PLUMBING GROUP, 5 SECTION OUTER Liquid Plumbing

Схема запчастей Case IH SPX3310 - (09-025) - VALVE PLUMBING GROUP, 5 SECTION OUTER Liquid Plumbing
9
8
10
4
3
1
6
2
7
5
7
FIT
1:1
100%

Артикул

Название

Примечание

Количество

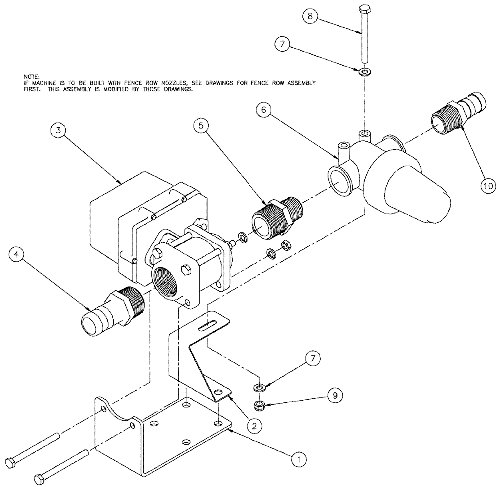
1

BN319996

BRACKET

NPT BALL

1шт.

2

BN320813

BRACKET

STRAINER, R BOOM

1шт.

3

87268179

VALVE

1.25" Ball, Electric

1шт.

See Fig. 09-036

1шт.

4

87743696

FITTING

1-1/4" NPT X 1-1/4" Hose Barb, Poly

1шт.

5

BN73656

NIPPLE,1-1/4" Male NPT x 1" Male NPT, Poly

1-1/4" NPT x 1" NPT, Poly

1шт.

6

BN320072

FILTER STRAINER

1" NPT, 50 Mesh, Poly

1шт.

See Fig. 09-034

1шт.

7

BN50142

WASHER,5/16", Stainless Steel

2шт.

8

BN320109

BOLT,5/16"-18 X 3.50", Stainless

1шт.

9

BN55361

NUT,5/16"-18, Nylon, Stainless

1шт.

10

BN53476

FITTING,1" Male NPT x 1" Hose Barb, Poly

1" NPT x 1" Hose Barb, Poly

1шт.

Выбрано товаров: 12