Запчасти Case IH SPX3310 (09-027) - VALVE PLUMBING GROUP, 5 & 6 SECTION OUTER Liquid Plumbing

Схема запчастей Case IH SPX3310 - (09-027) - VALVE PLUMBING GROUP, 5 & 6 SECTION OUTER Liquid Plumbing
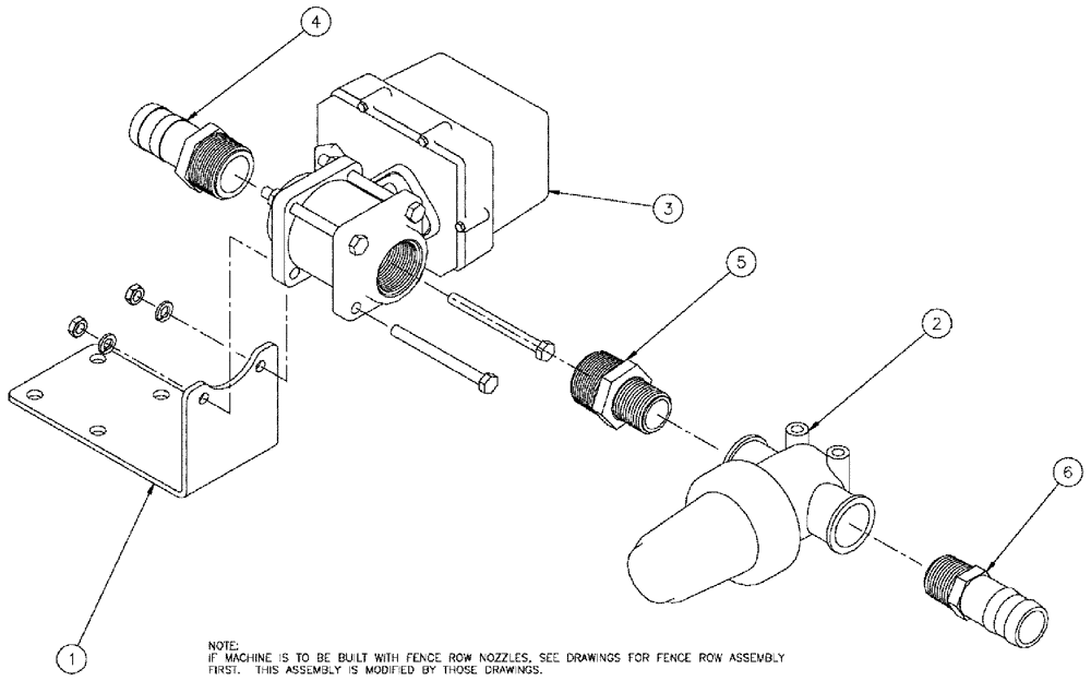
4
3
5
2
6
1
FIT
1:1
100%

Артикул

Название

Примечание

Количество

1

BN319996

BRACKET

NPT BALL

1шт.

2

BN320072

FILTER STRAINER

1" NPT, 50 Mesh, Poly

1шт.

See Fig. 09-034

1шт.

3

87268179

VALVE

1.25" Ball, Electric

1шт.

See Fig. 09-036

1шт.

4

87743696

FITTING

1-1/4" NPT X 1-1/4" Hose Barb, Poly

1шт.

5

BN73656

NIPPLE,1-1/4" Male NPT x 1" Male NPT, Poly

1-1/4" NPT x 1" NPT, Poly

1шт.

6

87744535

FITTING

1" NPT x 1-1/4" Hose Barb, Poly

1шт.

Выбрано товаров: 8