Запчасти Case IH SPX3310 (11-013) - CHEMICAL INDUCTOR GROUP Options

Схема запчастей Case IH SPX3310 - (11-013) - CHEMICAL INDUCTOR GROUP Options
7
13
1
9
9
3
15
6
5
11
4
9
2
12
8
18
9
16
10
14
19
17
16
9
FIT
1:1
100%

Артикул

Название

Примечание

Количество

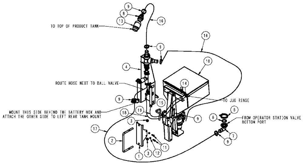
1

342643A1

MOUNTING PLATE

Chemical Inductor

1шт.

2

BN325918

U-BOLT

U, M16, 187 x 256

1шт.

3

832-46416

NUT,M16 x 2, Cl 8

2шт.

4

NS

NOT SERVICED

Group, Venturi/Valve

1шт.

See Fig. 11-015

1шт.

5

BN303199

CLAMP,2" Flange

2" Standard Flange

1шт.

6

BN303204

GASKET,1-1/2" EPDM Gasket

2" Flange, EPDM

1шт.

7

BN304321

FITTING,2" Flange x 1-1/2" 90 Degree Hose Barb Elbow

2" Flange x 1 1/2" Hose Barb, Poly

1шт.

8

BN305163

FITTING,2" - 11-1/2 Male NPT x 1-1/2" Hose Barb, Poly

2" NPT x 1.5" Hose Barb

1шт.

9

BN310448

HOSE CLAMP

#28, Stainless Steel

7шт.

10

BN324763

TANK

W/LINKAGE CHEM

1шт.

See Fig. 11-014

1шт.

11

BN50254

BOLT,3/8"-16 x 1", Stainless

4шт.

12

BN50759

LOCK NUT,3/8"-16, Nylon, Stainless

4шт.

13

BN73793

ELBOW,45 Degree Elbow, 2" Female NPT x 2" Female NPT, Poly

45 STR-2" NPT POLY

1шт.

14

87487826

CLAMP,0.44" - 0.78"

HOSE, 60.78/0.44 M SST 300

2шт.

15

BN324022

HOSE CLAMP

#8, Stainless Steel

2шт.

16

BN321053

HOSE,1.50" ID x 55.00"

Kanaflex

2шт.

17

BN322958

FLEXIBLE HOSE,1.50" ID x 90.00"

Kanaflex

1шт.

18

BN324519

HOSE,0.50" ID x 68.00"

EPDM

1шт.

19

BN314453

HOSE,0.50" ID x 50.00"

EPDM

1шт.

Выбрано товаров: 21