Запчасти Case IH SPX3310 (04-003) - BATTERY BOX GROUP Suspension & Frame

Схема запчастей Case IH SPX3310 - (04-003) - BATTERY BOX GROUP Suspension & Frame
8
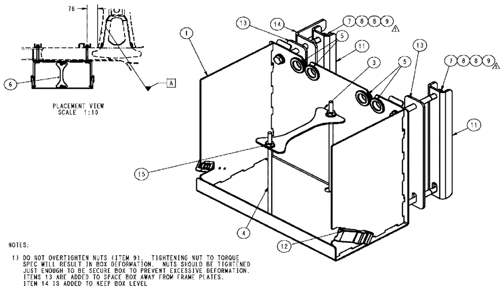
15
13
7
7
13
4
9
8
9
14
6
11
5
8
3
12
1
5
11
8
FIT
1:1
100%

Артикул

Название

Примечание

Количество

1

87271121

BATTERY TRAY

Box

1шт.

3

BN320331

BRACKET

Mount, Battery

1шт.

4

87691876

ROD

Battery Hold Down

2шт.

5

BN2290753

GROMMET

2870 (7/8" Hole)

4шт.

6

87271122

COVER

Battery Box

1шт.

7

86980434

BOLT,Hex, M12 x 140mm, Cl 8.8

4шт.

8

86625255

WASHER,13.3mm ID x 24.5mm OD x 3mm Thk

8шт.

9

86980516

NUT,Prev Torque, Hex, M12, 1.75 Pitch, Cl 8, DOR

4шт.

10

342417A1

KNOB

M8 X 1.25

2шт.

11

87266099

SUPPORT

2шт.

12

BN307683

LATCH

Soft W/Concealed Keeper

2шт.

13

87381283

SPACER

Battery Box

2шт.

14

87381284

SPACER

Lift, Battery Box

1шт.

15

BN50057

LOCK NUT,Lock, 5/16"-18, Stainless Steel

2шт.

Выбрано товаров: 0