Запчасти Case IH SPX3310 (04-007) - CYLINDER GROUP, 2 WHEEL STEER Suspension & Frame

Схема запчастей Case IH SPX3310 - (04-007) - CYLINDER GROUP, 2 WHEEL STEER Suspension & Frame
3
1
7
2
3
4
8
1
4
2
8
7
FIT
1:1
100%

Артикул

Название

Примечание

Количество

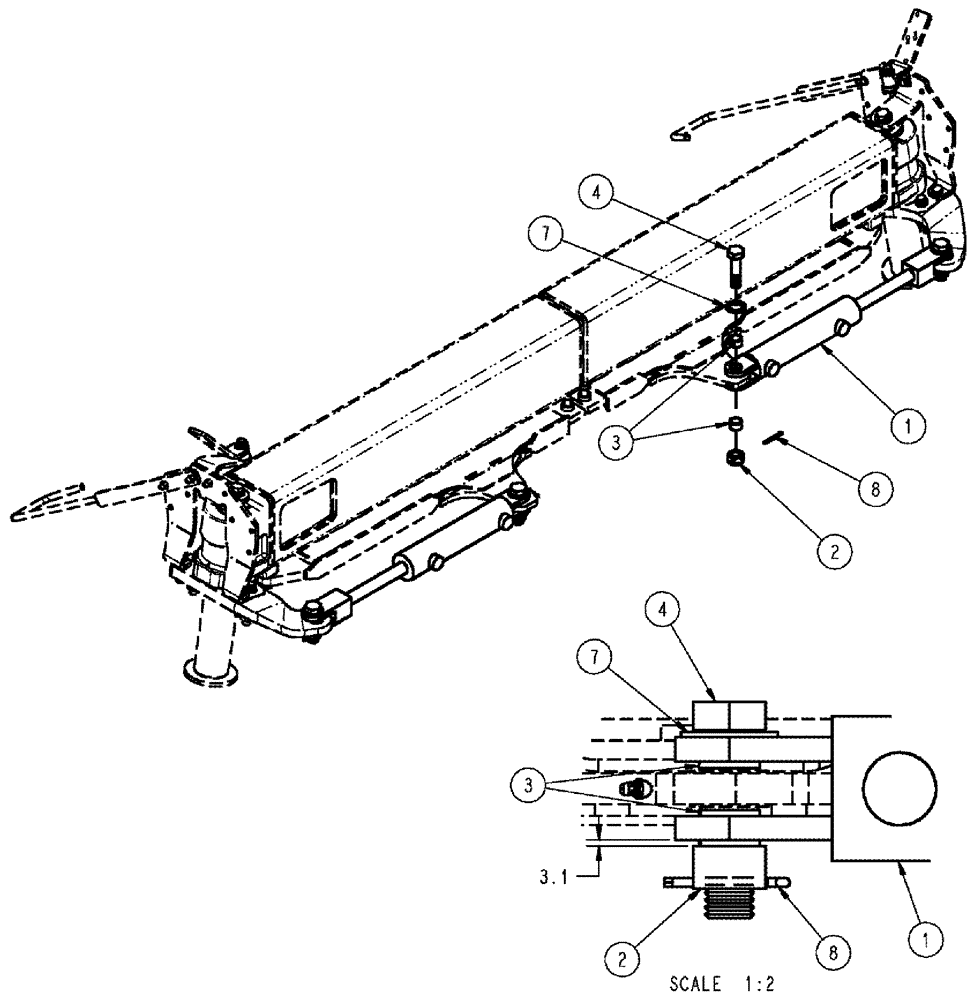
1

86986500

CYLINDER,Double Acting, 31.75mm Rod, 254mm Stroke

Hydraulic, 2.50 x 10 x 1.25

2шт.

See Fig. 07-007

1шт.

1

86986500R

REMAN-HYD CYLINDER

SPX3310 SPRAYER, Hydraulic, 2.50 x 10 x 1.25 (11/04-5/09)

2шт.

1

86986500C

CORE-HYD CYLINDER

Return Number

2шт.

2

425-1216

SLOTTED NUT,Hex, 1"-8, G5

4шт.

3

87269214

BUSHING,25.4mm ID x 32.38mm OD x 19.05mm L

SPRING

8шт.

4

84600698

BOLT

Steering, 1"-8, DOR

4шт.

7

495-81278

WASHER,33.53mm ID x 50.8mm OD x 3.35mm Thk

4шт.

8

BN50601

PIN, SPLIT (COTTER)

PIN, COTTER 3/16 X 2"

4шт.

Выбрано товаров: 0