Запчасти Case IH SPX3310 (03-031) - A/C GROUP (01) - ENGINE

Схема запчастей Case IH SPX3310 - (03-031) - A/C GROUP (01) - ENGINE
3
7
12
8
4
1
5
11
7
6
5
5
4
2
9
10
FIT
1:1
100%

Артикул

Название

Примечание

Количество

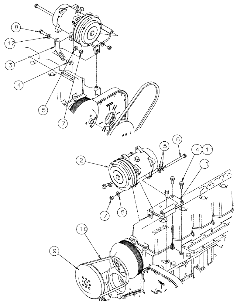
1

191951A1

SUPPORT

bracket, compressor

1шт.

2

86993462

AIRCOND. COMPRESSOR

12V Double Groove

1шт.

2

86993462GV

AIRCOND. COMPRESSOR

Value, 12V Double Groove

1шт.

86993462R

REMAN-COMPRESSOR

SPX3310 (11/04-5/09)

1шт.

86993462C

CORE-COMPRESSOR

Return Number

1шт.

2

128483A1

O-RING,1.78mm Thk x 7.65mm ID, 70 Duro

5/16 id x 1/16

1шт.

Parts of Compressor, AC 12V, P/N 86993462

1шт.

2

135324A1

CLUTCH

Assembly

1шт.

Parts of Compressor, AC 12V, P/N 86993462

1шт.

See Fig. 03-005

1шт.

2

48017123R

REMAN-A/C COMP KIT

Reman Kit -- A/C Compressor, Receiver-Dryer, Valve

1шт.

48017123C

REMAN-A/C COMP KIT

Return Number

1шт.

3

BN315445

BRACE

A/C COMPRESSOR

1шт.

4

905-10025

BOLT,Hex Flg, M10 x 25mm

4шт.

5

87529312

WASHER,11mm ID x 24mm OD x 3mm Thk

4шт.

6

86508575

BOLT,Hex, M10 x 130mm, Cl 8.8

1шт.

7

100037

LOCK NUT,M10 x 1.5, Cl 8

2шт.

8

120112

BOLT,Hex, M10 x 1.5 x 40mm, Cl 8.8, Full Thd

1шт.

9

431716A1

PULLEY,147mm OD

A/C Drive

1шт.

10

90-7190T1

V-BELT,0.56" W x 40.25" L

1шт.

12

3120737R1

WASHER,10.8mm ID x 25mm OD x 5mm Thk

10.8 x 25 x 5 mm

1шт.

Выбрано товаров: 21