Запчасти Case IH SPX3310 (06-001) - STEERING CONTROL GROUP Hydraulic Plumbing

Схема запчастей Case IH SPX3310 - (06-001) - STEERING CONTROL GROUP Hydraulic Plumbing
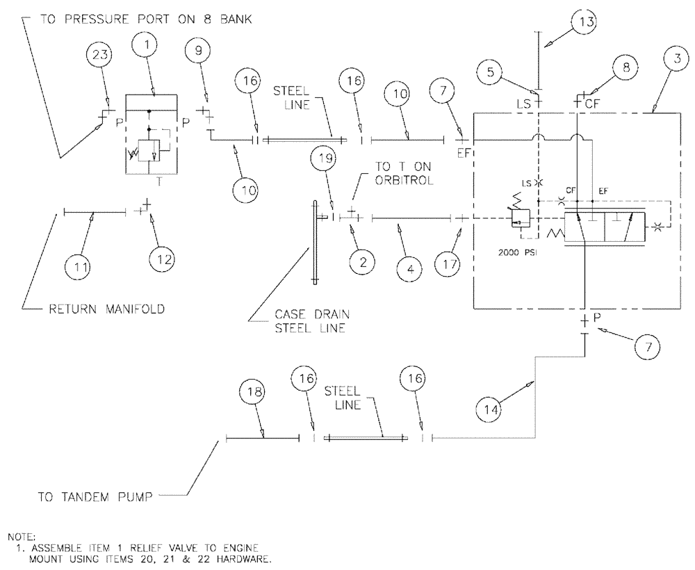
18
9
23
1
14
19
7
11
10
5
16
2
13
10
12
8
3
7
4
17
16
16
16
FIT
1:1
100%

Артикул

Название

Примечание

Количество

1

BN29234

VALVE PRESSURE RELIE,1-1/16" - 12

O-Ring Port

1шт.

2

BN302435

TEE

11/16 -16 ORFS x 11/16 -16 ORFS Swivel

1шт.

3

BN323098

VALVE

Priority, LS

1шт.

87270616

VALVE PRESSURE RELIE

1шт.

Associated Part of Valve, Priority LS, P/N BN323098

1шт.

4

BN314945

HOSE ASSY.

1шт.

5

BN444005

FITTING

37 FLARE, 04-04

2шт.

7

BN302651

FITTING

8MOR-10MB

2шт.

8

BN53594

FITTING

8MJ-8MB X 90

1шт.

9

BN302560

FITTING

8MOR-12MB X 90

1шт.

10

BN309743

HOSE,12.7mm ID x 533.4mm L

08 X 21"

2шт.

10

BN51536

PIPE FITTING

12 O-RING X 12JIC

1шт.

11

BN53994

SLEEVE

3/4" ID X 20.0" 100R2

1шт.

12

BN445001

FITTING

12MJ-12MB X 90

1шт.

13

BN303344

HOSE ASSY.

-1/4ID X 70 100R1

1шт.

14

87269485

HOSE

-8 X 17

1шт.

16

BN305413

O-RING,0.07" Thk x 0.489" ID, -14, Cl 6, 90 Duro

FOR -8 FFOR

1шт.

17

201-125

HYD CONNECTOR,11/16"-16 ORFS x 7/16"-20 ORB

1шт.

18

BN309739

HYDRAULIC HOSE,12.7mm ID x 1041mm L, SAE 100R17

-08 X 41

1шт.

19

BN305412

O-RING

FOR -6 FFOR

1шт.

20

814-6055

BOLT,Hex, M6 x 1 x 55mm, Cl 8.8

2шт.

21

86624182

WASHER,6.6mm ID x 18mm OD x 1.6mm Thk

2шт.

22

353308

NUT,M6 x 1.0, Cl 8

2шт.

23

BN445006

FITTING

8MJ-12MB X 90

1шт.

Выбрано товаров: 24