Запчасти Case IH SPX3310 (06-003) - HYDRAULIC DRIVE LOOP GROUP Hydraulic Plumbing

Схема запчастей Case IH SPX3310 - (06-003) - HYDRAULIC DRIVE LOOP GROUP Hydraulic Plumbing
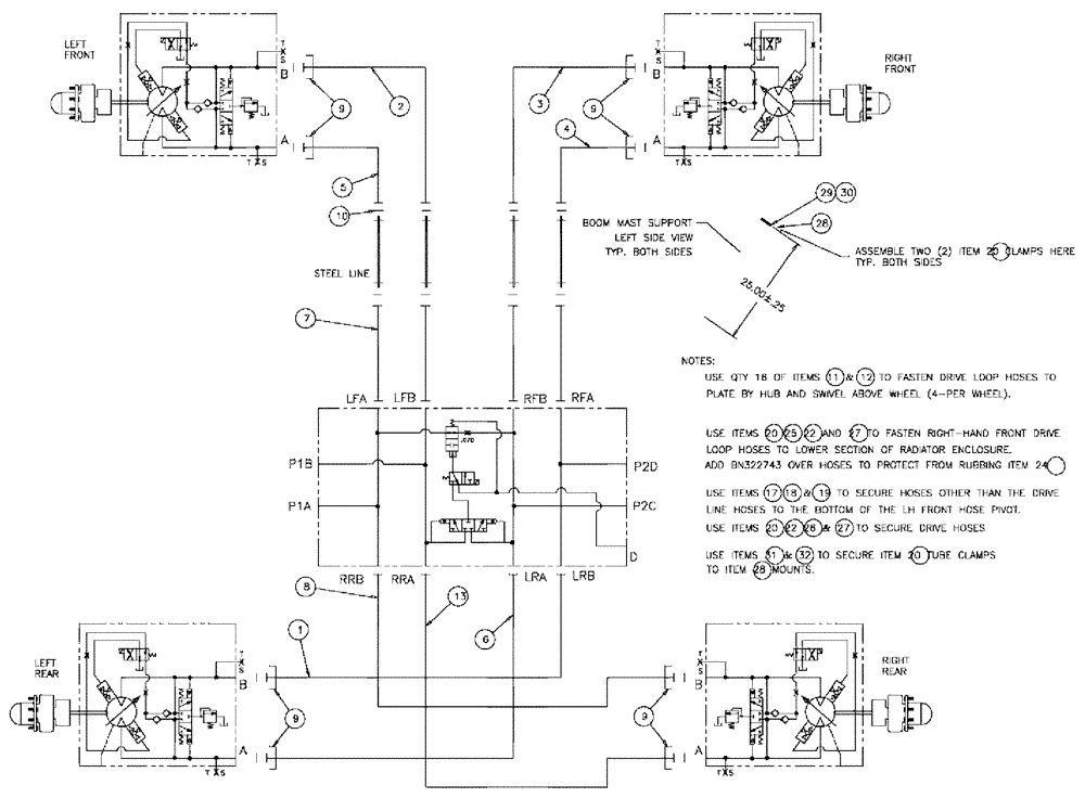
2
13
3
6
30
29
8
1
9
4
28
7
5
10
9
9
9
FIT
1:1
100%

Артикул

Название

Примечание

Количество

1

87269474

HOSE,19.05mm ID x 3530.6mm L

12 X 139

1шт.

2

87267736

HYDRAULIC HOSE,19.05mm ID x 2921mm L

12 X 115

1шт.

3

87269493

HOSE,19.05mm ID x 3048mm L

12 X 120

1шт.

4

87269494

HOSE,19.05mm ID x 2870.2mm L

12 X 116

1шт.

5

87267737

HYDRAULIC HOSE,19.05mm ID x 3175mm L

12 X 125

1шт.

6

87269475

HOSE,19.05mm ID x 3657.6mm L

12 X 144

1шт.

7

87267744

HYDRAULIC HOSE,19.05mm ID x 2895.6mm L

12 X 114

4шт.

8

87269495

HOSE,19.05mm ID x 3530.6mm L

12 X 139

1шт.

9

BN52315

KIT

1" Split Flange Code 62

8шт.

BN52317

O-RING

For 52315 (FK-16H)

1шт.

Parts of Kit, 1" Splitflange Code 62, P/N BN52315

1шт.

10

BN53730

O-RING,0.07" Thk x 0.926" ID, -21, Cl 6, 90 Duro

ARP Standard #021

8шт.

11

BN57235

CLAMP

Assy, 1"

16шт.

BN320367

CLAMP

U-BOLT, 1" PIPE

1шт.

Parts of Clamp Assembly 1", P/N BN57235

1шт.

12

86632587

WASHER,0.28" ID x 0.62" OD x 0.07" Thk

18шт.

13

87269784

HOSE,19.05mm ID x 3454.4mm L

12 X 136

1шт.

17

515-23365

CLAMP,1 7/16", Insul, 3/8" Bolt

1шт.

18

280129

NUT,1/4"-20

1шт.

19

87529236

WASHER,0.28" ID x 0.62" OD x 0.07" Thk

0.281 X 0.625 X 0.065 HTS DOR HDN

1шт.

20

BN309849

CLAMP

DUAL, 1.25 TUBE

12шт.

22

1324469C1

PLATE

hose clamp

7шт.

23

BN55361

NUT,5/16"-18, Nylon, Stainless

2шт.

24

BN322743

SLEEVE

2.38 ID X 18

2шт.

25

331168

BOLT,Hex, M10 x 1.5 x 140mm, Cl 8.8

3шт.

26

120073

BOLT,Hex, M10 x 86.58mm, Cl 8.8

4шт.

27

100037

LOCK NUT,M10 x 1.5, Cl 8

4шт.

28

87265814

MOUNTING PLATE

DOUBLE CLAMP

2шт.

29

BN312959

U-BOLT

BOLT "U" 3/8" square bend, 2.06 ID

2шт.

30

88902

NUT,3/8"-16

4шт.

31

BN309845

SCREW,Hex, 5/16" - 18 x 5", SST

2шт.

Выбрано товаров: 31