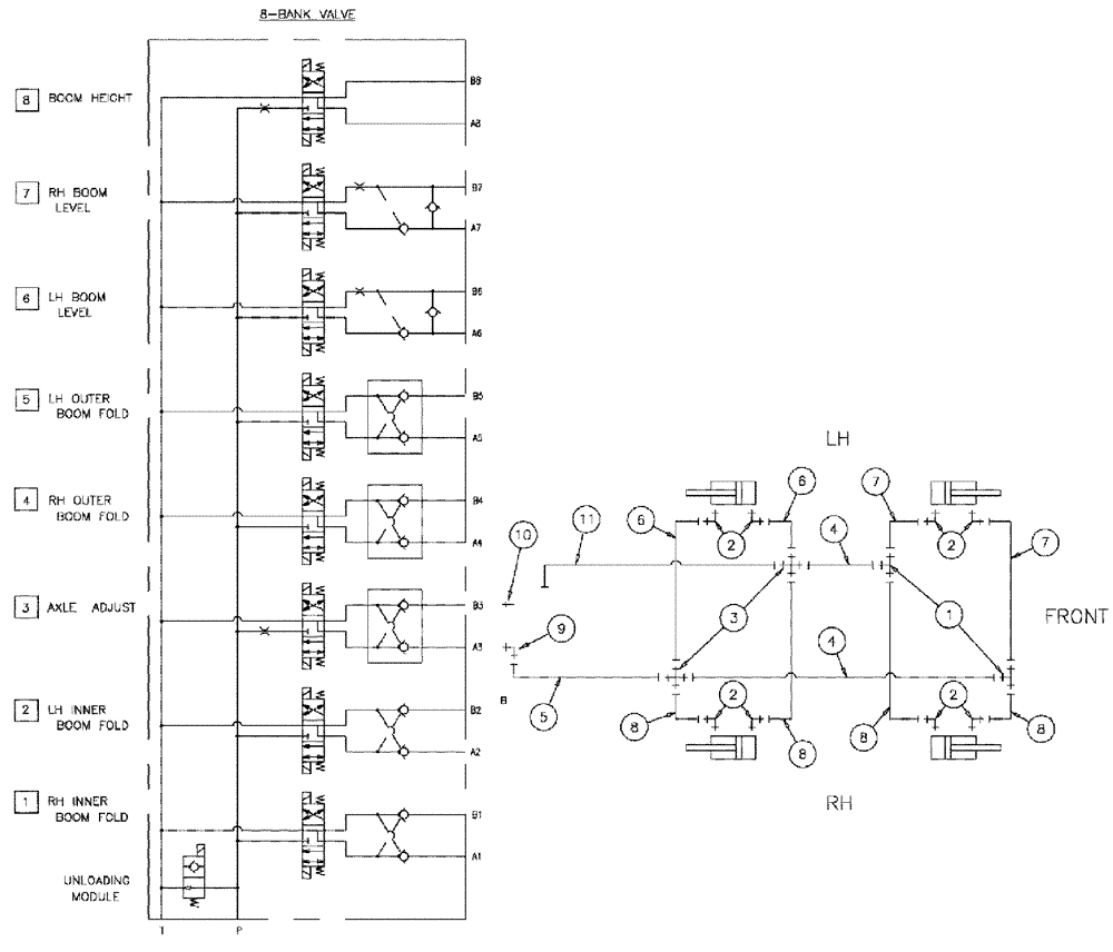
Запчасти Case IH SPX3310 (06-018) - HYDRAULIC GROUP, AXLE ADJUST - SERIAL #20002 AND LATER Hydraulic Plumbing

Схема запчастей Case IH SPX3310 - (06-018) - HYDRAULIC GROUP, AXLE ADJUST - SERIAL #20002 AND LATER Hydraulic Plumbing
8
6
7
1
11
8
10
2
6
2
2
4
9
4
5
8
8
7
3
FIT
1:1
100%

Артикул

Название

Примечание

Количество

1

BN302511

FITTING

4MOR-4MOR-4MOR

2шт.

2

9840542

ELBOW,90 Degree, 9/16"-18 x 9/16"-18, Adj, ORFS

8шт.

3

BN302462

FITTING

4MOR-4MOR-4MOR-4MOR

2шт.

4

87271826

HOSE

4 x 160"

2шт.

5

87272227

HOSE

4 X 38"

1шт.

6

87272036

HOSE

4 x 32"

2шт.

7

87272037

HOSE

4 x 43"

2шт.

8

BN307845

HOSE ASSY.

4шт.

9

BN22160

ELBOW

90° 9/16-18 O-Ring X 7/16-20 JIC

1шт.

10

BN51589

FITTING

6MB-4MJ

1шт.

11

87272228

HOSE

4 X 38

1шт.

Выбрано товаров: 11