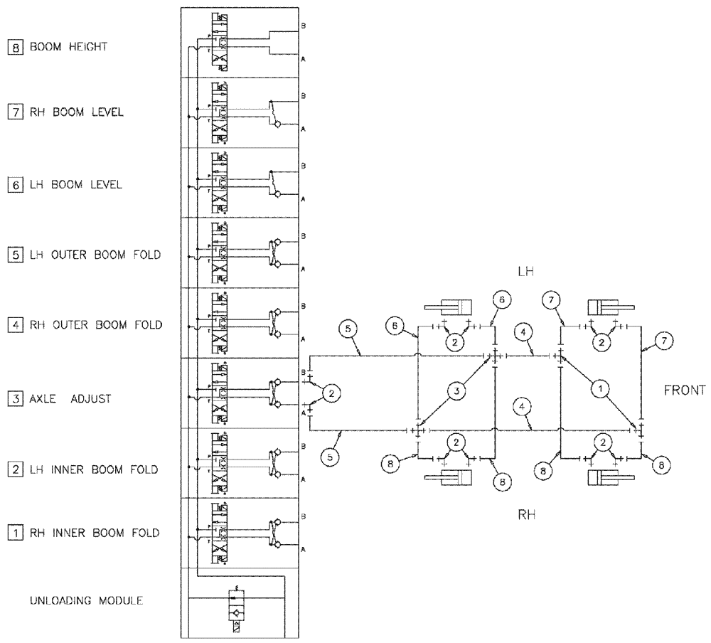
Запчасти Case IH SPX3310 (06-019) - HYDRAULIC GROUP, AXLE ADJUST - SERIAL #7440 AND LATER Hydraulic Plumbing

Схема запчастей Case IH SPX3310 - (06-019) - HYDRAULIC GROUP, AXLE ADJUST - SERIAL #7440 AND LATER Hydraulic Plumbing
6
5
4
2
8
8
5
1
8
3
7
4
2
2
2
2
8
7
6
FIT
1:1
100%

Артикул

Название

Примечание

Количество

1

BN302511

FITTING

4MOR-4MOR-4MOR

2шт.

2

9840542

ELBOW,90 Degree, 9/16"-18 x 9/16"-18, Adj, ORFS

10шт.

3

BN302462

FITTING

4MOR-4MOR-4MOR-4MOR

2шт.

4

87271826

HOSE

4 x 160"

2шт.

5

87271827

HOSE

4 X 38"

2шт.

6

87272036

HOSE

4 x 32"

2шт.

7

87272037

HOSE

4 x 43"

2шт.

8

BN307845

HOSE ASSY.

4шт.

Выбрано товаров: 8