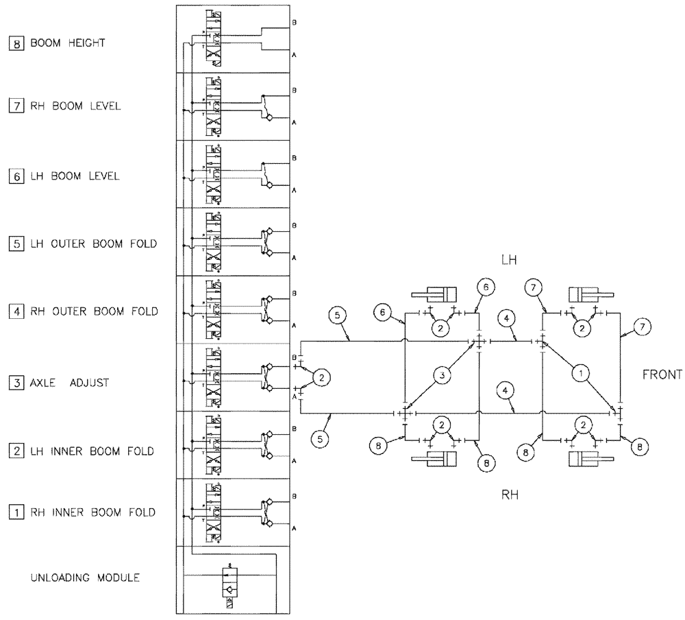
Запчасти Case IH SPX3310 (06-020) - HYDRAULIC GROUP, AXLE ADJUST - BEFORE SERIAL #7440 Hydraulic Plumbing

Схема запчастей Case IH SPX3310 - (06-020) - HYDRAULIC GROUP, AXLE ADJUST - BEFORE SERIAL #7440 Hydraulic Plumbing
8
6
8
4
2
2
2
4
5
8
6
8
7
3
1
5
2
2
7
FIT
1:1
100%

Артикул

Название

Примечание

Количество

1

BN21422

TEE

7/16-20 JIC

2шт.

2

BN22160

ELBOW

90° 9/16-18 O-Ring X 7/16-20 JIC

10шт.

3

BN54043

ADAPTER

cross, 1/4" jic

2шт.

4

BN55143

HOSE,6.35mm ID x 4064mm L, SAE 100R1

1/4 x 170 100 R1

2шт.

5

BN53824

HOSE,6.35mm ID x 965.2mm L, SAE 100R1

1/4" ID x 38" 100R1

2шт.

6

BN55112

HOSE ASSY.

1/4" X 32" 100 R1

2шт.

7

BN46351

SLEEVE,6.35mm ID x 1092.2mm L, SAE 100R1

H-1/4" ID 100 R1 43"

2шт.

8

BN55183

HOSE ASSY.

1/4 X 23 100 R1

4шт.

Выбрано товаров: 8