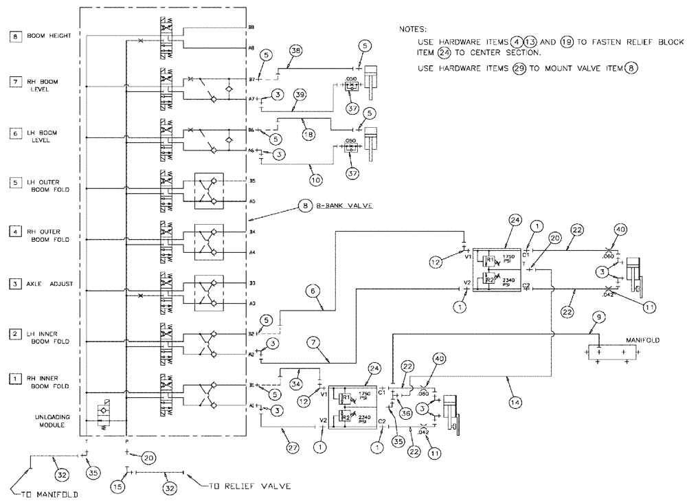
Запчасти Case IH SPX3310 (06-021) - BOOM HYDRAULIC GROUP - SERIAL #20002 AND LATER Hydraulic Plumbing

Схема запчастей Case IH SPX3310 - (06-021) - BOOM HYDRAULIC GROUP - SERIAL #20002 AND LATER Hydraulic Plumbing
3
37
32
1
10
20
12q
22
1
27
35
5
15
34
34
32
22
3
9
22
6
9
18
7
12
14
20
38
5
40
3
1
5
5
14
3
36
3
11
39
35
22
3
40
36
5
20
11
35
8
40
11
1
27
35
1
22
12
3
15
3
11
3
24
37
22
32
1
5
24
FIT
1:1
100%

Артикул

Название

Примечание

Количество

1

BN21249

ADAPTER,3/4" - 16 ORFS x 7/16" - 20 JIC

6шт.

3

BN22160

ELBOW

90° 9/16-18 O-Ring X 7/16-20 JIC

8шт.

4

496-21034

WASHER,11/32" x 11/16" x 0.89", HDN

4шт.

5

BN51589

FITTING

6MB-4MJ

6шт.

6

87272226

HOSE,6.35mm ID x 4953mm L

4 X 195

1шт.

7

87269480

HYDRAULIC HOSE,6.35mm ID x 4978.4mm L

4 X 196

1шт.

8

87271736

VALVE SECTION

8 BANK DEUT

1шт.

See Fig. 06-030

1шт.

9

87271568

HYDRAULIC HOSE,12.7mm ID x 4826mm L

8 X 190

1шт.

10

87272236

HOSE,6.35mm ID x 7391.4mm L

4 x 291"

1шт.

11

BN319640

RESTRICTOR VALVE

#4 JIC (.042)

2шт.

12

BN445005

ADAPTER

adapter-90 37 flr 08

2шт.

13

87342743

BOLT

Hex, 5/16"-18 x 2 3/4", G5

4шт.

14

87269499

HYDRAULIC HOSE,12.7mm ID x 1676.4mm L

8 X 62

1шт.

15

BN53713

ADAPTER

3/4-16 JIC 90 DEG

1шт.

18

87272235

HOSE ASSY.

4 X 273

1шт.

19

280736

NUT,5/16"-18, GC

4шт.

20

BN444004

FITTING

37 FLARE

2шт.

22

BN67538

HOSE ASSY.

1/4" ID X 24"

4шт.

24

BN322491

VALVE SECTION

DOUBLE RELIEF

2шт.

27

87269501

HOSE,6.35mm ID x 3429mm L

4 x 135"

1шт.

29

120104

BOLT,Hex, M8 x 1.25 x 20mm, Cl 8.8

4шт.

32

BN53528

SLEEVE,12.7mm ID x 1828.8mm L, SAE 100R2

1/2 X 72"100R2

2шт.

34

87272225

HYDRAULIC HOSE,6.35mm ID x 3606.8mm L

4 X 142

1шт.

35

BN53594

FITTING

8MJ-8MB X 90

2шт.

36

BN53452

TEE

jic-3/4"-16, male-female

1шт.

37

87270151

CHECK VALVE,9/16" - 18 ORB x 9/16" - 18 JIC

.050

2шт.

38

87272237

HYDRAULIC HOSE,6.35mm ID x 5308.6mm L

4 X 209

1шт.

39

87272238

HYDRAULIC HOSE,6.35mm ID x 5765.8mm L

4 X 227

1шт.

40

87270621

ORIFICE

#4 JIC (.060)

2шт.

Выбрано товаров: 30