Качественные детали и логистика
Оригинальные и аналоговые запчасти с доставкой по России, Казахстану и Беларуси
©2022 PartSell ООО "Система" ИНН 2463123282 ОГРН 1212400004838
Центральный офис: г. Красноярск, Академика Киренского, д.87, пом.4
Телефон: 8 (800) 777-65-74 Email: zakaz@partsell.ru
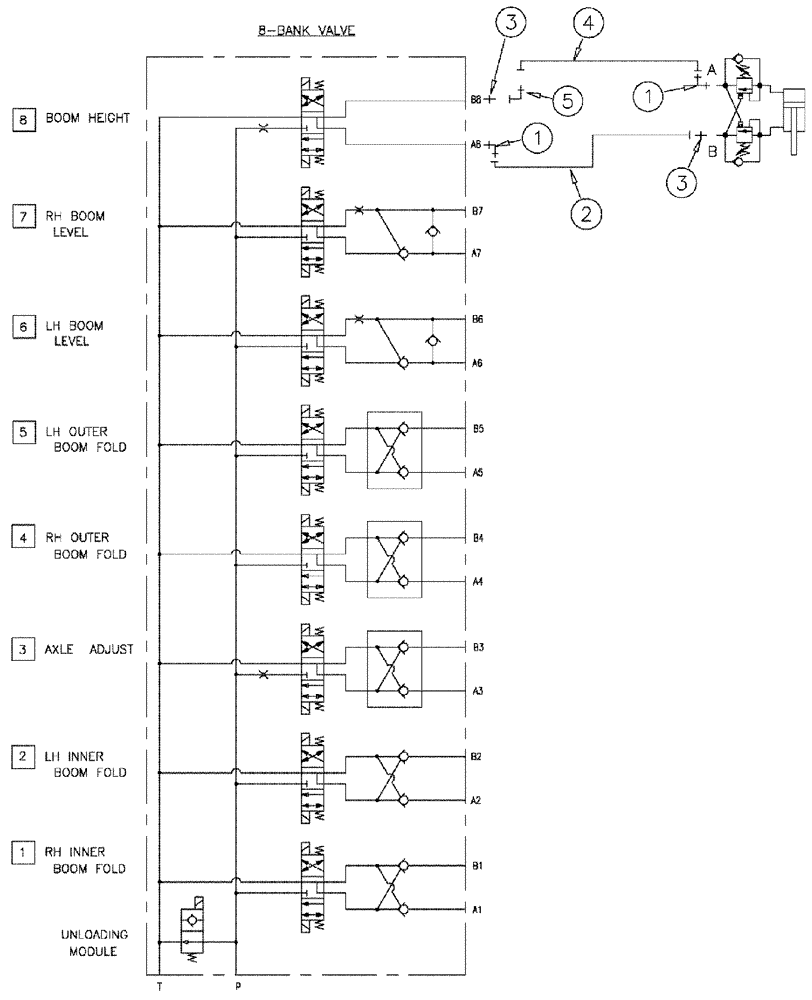
(06-025) - BOOM HEIGHT HYDRAULIC GROUP - SERIAL #20002 AND LATER
№
Артикул
Название
Примечание
Количество
1
BN22160
ELBOW
90° 9/16-18 O-Ring X 7/16-20 JIC
2шт.
2
BN316645
HOSE ASSY.
4 X 66"
1шт.
3
BN51589
FITTING
6MB-4MJ
4
BN54178
HOSE,6.35mm ID x 1676.4mm L, SAE 100R1
1/4" x 66", 100R1
5
BN55333
ADAPTER
4 JIC, SWIVEL, 90
Выбрано товаров: 0