Запчасти Case IH SPX3310 (06-038) - HYDROSTATIC PUMP Hydraulic Plumbing

Схема запчастей Case IH SPX3310 - (06-038) - HYDROSTATIC PUMP Hydraulic Plumbing
14
17
2
10
20
1
3
5
9
15
16
19
4
6
11
12
8
7
13
18
FIT
1:1
100%

Артикул

Название

Примечание

Количество

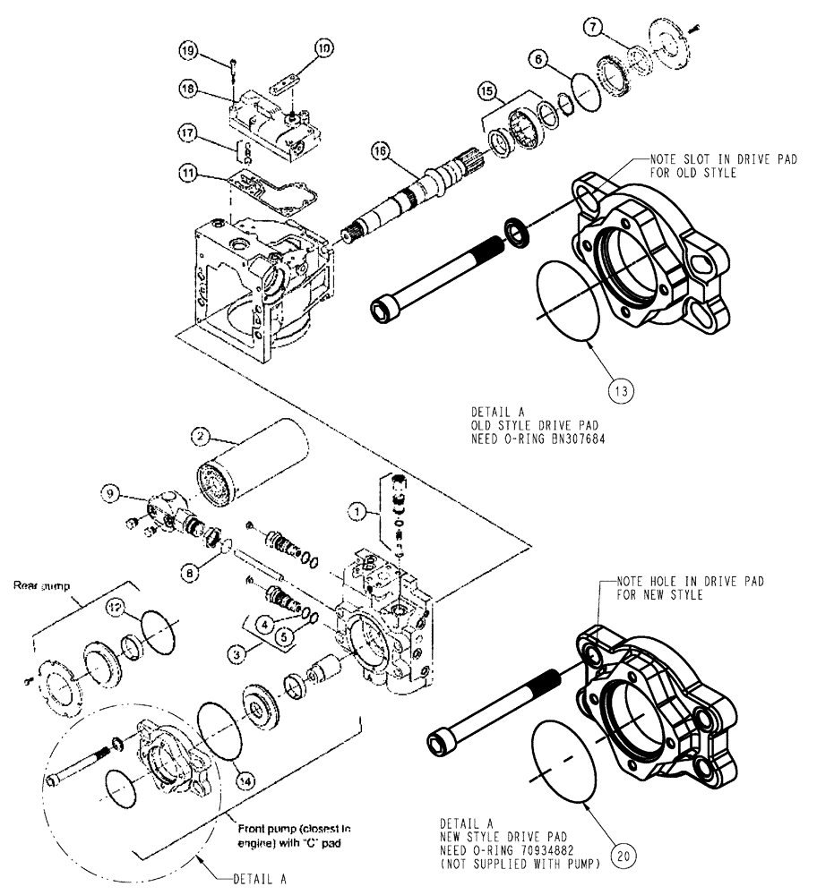
1

BN300952

KIT

Charge Relief

1шт.

2

N14232

FILTER

Element, Spin On

1шт.

3

BN65540

VALVE

multi-function, 90S

2шт.

4

BN65541

O-RING

M/F Valve Upper

2шт.

5

BN65542

O-RING

M/F Valve Lower

2шт.

6

BN65544

O-RING

Shaft, 75 CC

1шт.

7

BN65546

SEAL

Lip, Shaft 75 CC

1шт.

8

BN68470

O-RING

Filter Head, 90 Pump

1шт.

9

BN69597

FILTER HEAD

1шт.

10

BN67479

HANDLE

SS 90 SERIES PUMP

1шт.

11

BN68509

GASKET

Control Body

1шт.

12

BN312703

O-RING

CHARGE PUMP COV.

1шт.

13

BN307684

O-RING

SAE pad

1шт.

14

BN312705

O-RING,0.103" Thk x 4.737" ID, -158, Cl 7, 75 Duro

Auxiliary Flange

1шт.

15

BN312706

BEARING, ROLLER,40mm ID x 90mm OD x 23mm W

1шт.

16

BN318290

SHAFT

23T 16/32, REAR PU

1шт.

17

BN318291

KIT

CONTROL ORIFICE

1шт.

18

BN68507

CONTROL

VARI DISP, COMPLETE

1шт.

19

BN318292

SCREW

6шт.

20

70934882

O-RING,0.103" Thk x 4.737" ID, -158, Cl 7, 75 Duro

.103 X 4.737 158 7

1шт.

21

BN312707

SHAFT

14 T 12/24

1шт.

Выбрано товаров: 21