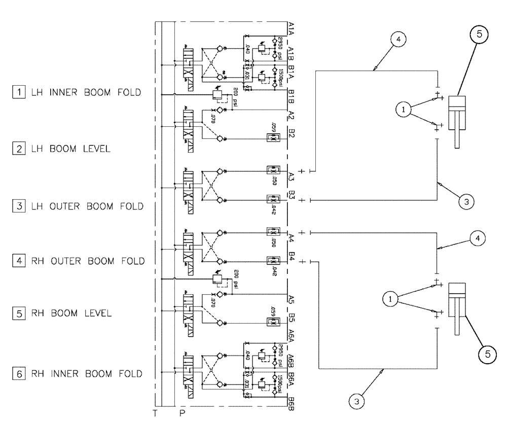
Запчасти Case IH SPX3320 (06-035) - HYDRAULIC GROUP, OUTER FOLD, NO CYLINDER Hydraulic Plumbing

Схема запчастей Case IH SPX3320 - (06-035) - HYDRAULIC GROUP, OUTER FOLD, NO CYLINDER Hydraulic Plumbing
5
4
3
1
4
3
5
1
FIT
1:1
100%

Артикул

Название

Примечание

Количество

1

BN302553

ELBOW

11/16-16 ORFS x 9/16-18 ORB

4шт.

1a

237-6006

O-RING,0.078" Thk x 0.468" ID, -906, Cl 6, 90 Duro

2шт.

1b

9993141

O-RING,0.07" Thk x 0.364" ID, -12, Cl 6, 90 Duro

11/16", OFRS

2шт.

3

BN307879

HOSE ASSY.,6.35mm ID x 9855.2mm L

2шт.

4

BN307880

HOSE ASSY.,6.35mm ID x 9423.4mm L, SAE 100R17

2шт.

5

87266449

CYLINDER,Double Acting, 31.75mm Rod, 508mm Stroke

Hydraulic, 2 x 20 x 1.25, Complete

2шт.

See Fig. 07-007

1шт.

5

87266449R

REMAN-HYD CYLINDER

SPX3320 PATRIOT SPRAYER, Hydraulic, 2 x 20 x 1.25, Complete (11/06-4/09)

2шт.

5

87266449C

CORE-HYD CYLINDER

Return Number

2шт.

Выбрано товаров: 9