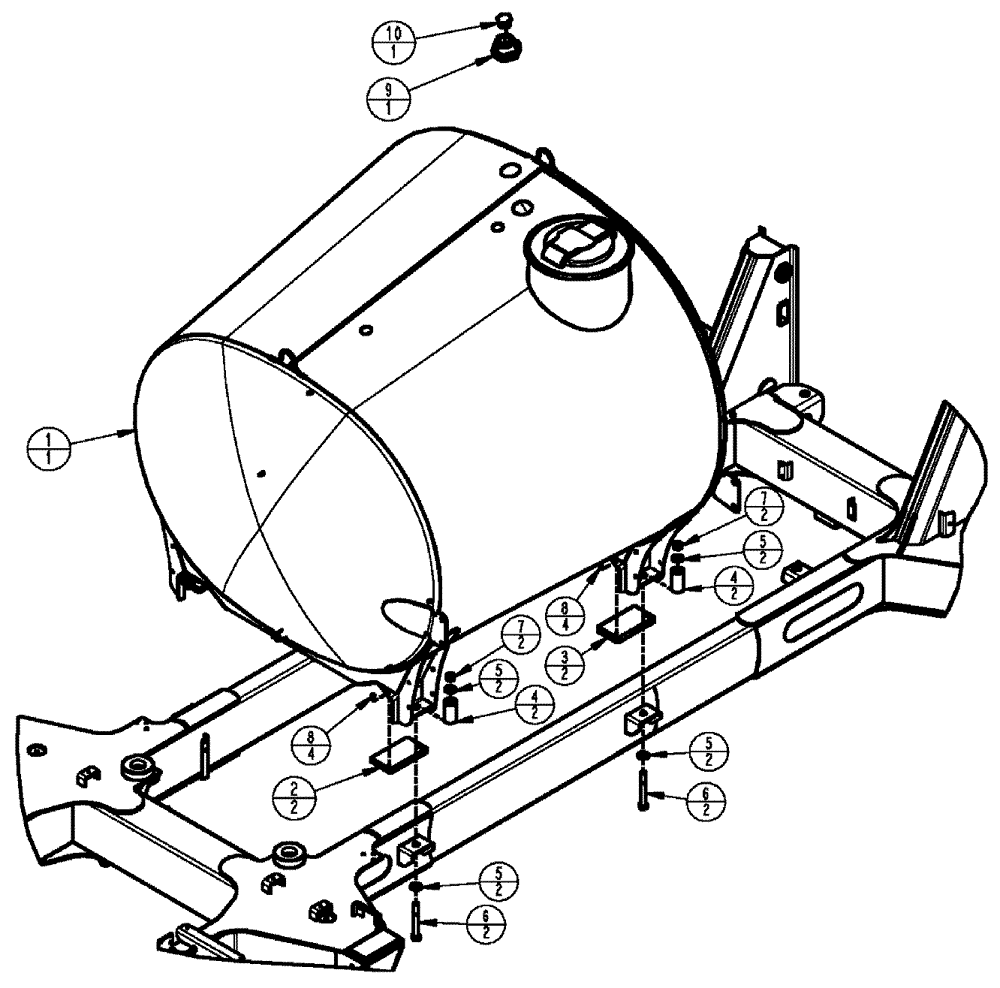
Запчасти Case IH SPX3320 (09-001) - TANK MOUNT GROUP Liquid Plumbing

Схема запчастей Case IH SPX3320 - (09-001) - TANK MOUNT GROUP Liquid Plumbing
5
7
8
4
9
6
2
1
3
5
6
4
7
8
5
10
5
FIT
1:1
100%

Артикул

Название

Примечание

Количество

1

87522865

TANK

1000 GAL, SS

1шт.

2

87272750

PAD

Tank, 19 mm, With Holes

2шт.

1a

87270464

CAP

16" With 10" Fill

1шт.

Service Parts for Ref. 1

1шт.

1b

BN2391314-001

GASKET

For 16" Cap

1шт.

Service Parts for Ref. 1

1шт.

3

87272751

PAD

Tank, 25 mm, With Holes

2шт.

4

BN312850

SPRING

1" ID x 4" Lg-Die

4шт.

5

87310608

WASHER,22mm ID x 44mm OD x 5mm Thk

22 x 44 x 5 mm, HDN, DOR

8шт.

6

87342000

BOLT,Hex, M20 x 160mm, Cl 10.9

M20 x 160 10.9

4шт.

7

87024336

NUT,M20 x 2.5, Cl 10

4шт.

8

87343659

SELF-TAP SCREW,Hex Wshr, 1/4" - 20 x 3/4"

Tapping, 1/4"-20 x 3/4"

8шт.

9

BN73733

FITTING

1 1/2" Bulkhead

1шт.

10

BN73731

PLUG,1-1/2" Male NPT, Poly

1 1/2" Poly Pipe

1шт.

Выбрано товаров: 14