Запчасти Case IH SPX3320 (09-007) - FILL STATION GROUP Liquid Plumbing

Схема запчастей Case IH SPX3320 - (09-007) - FILL STATION GROUP Liquid Plumbing
16
6
20
7
4
13
9
11
11
14
10
8
5
18
1
12
6
7
3
19
8
15
6
13
7
2
8
17
8
FIT
1:1
100%

Артикул

Название

Примечание

Количество

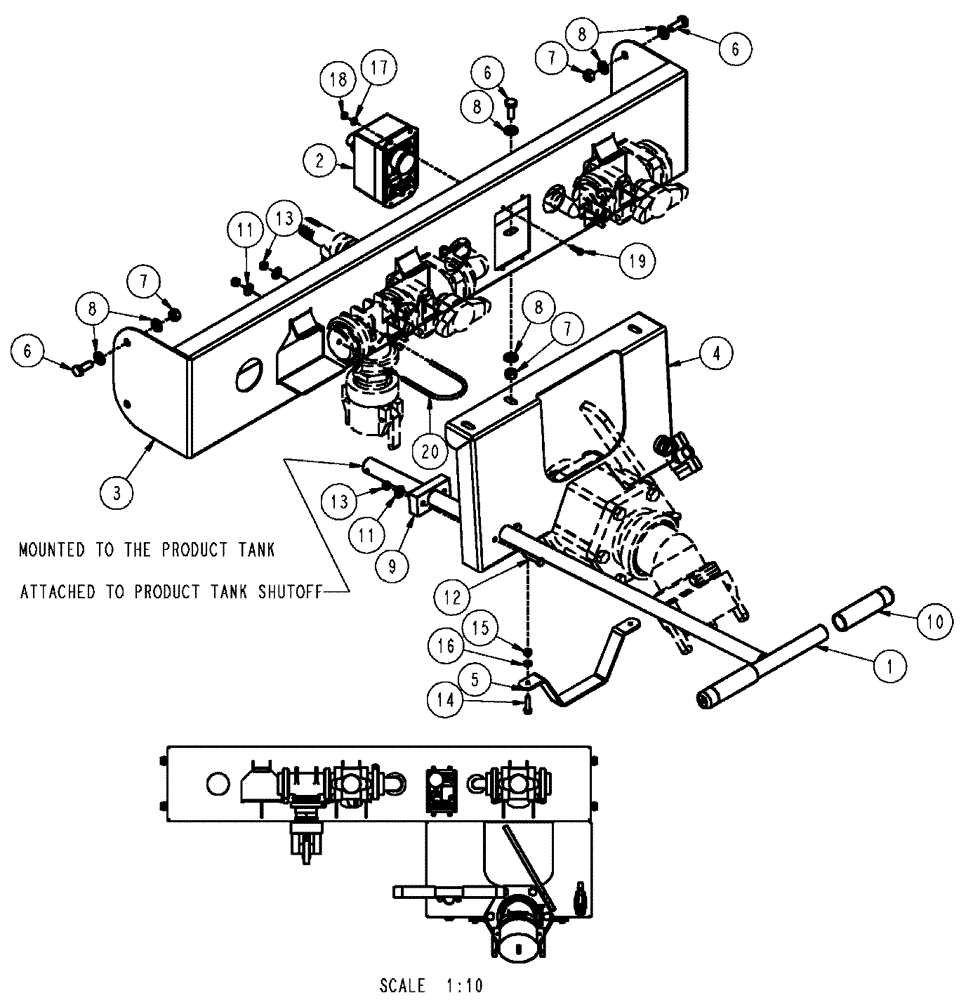
1

343411A1

HANDLE

3" valve 778D

1шт.

2

87266536

CONTROL UNIT

Remote Station Reload Center

1шт.

See Fig. 09-010

1шт.

3

87271621

BASE PLATE

Fill Station

1шт.

4

87270439

MOUNTING PLATE

FILL VLV/T-HANDLE

1шт.

5

87270440

RETAINER

FILL VALVE

1шт.

6

86980400

BOLT,Hex, M10 x 25mm, Cl 8.8, Full Thd

7шт.

7

86980515

NUT,Hex, M10 x 1.5, Cl 8.8, DOR

7шт.

8

87529312

WASHER,11mm ID x 24mm OD x 3mm Thk

14шт.

9

BN323177

BUSHING

Valve Handle Extension

1шт.

10

BN323880

GRIP

Handle, 1" ID Vinyl

2шт.

11

BN50138

WASHER,1/4", SS

4шт.

12

BN50688

BOLT,Hex, 1/4" - 20 x 1-1/4", SST

1/4"-20 X 1-1/4", Stainless Steel

2шт.

13

BN55359

LOCK NUT,1/4"-20, SS

4шт.

14

86980361

BOLT,Hex, M6 x 1 x 25mm, Cl 8.8, Full Thd

2шт.

15

353308

NUT,M6 x 1.0, Cl 8

2шт.

16

87529314

WASHER,6.6mm ID x 12.5mm OD x 2mm Thk

6.6 x 12.5 x 2 mm, HDN, DOR

2шт.

17

BN310265

WASHER

10, Stainless Steel

4шт.

18

BN310266

BHD LOCK NUT,#10-24, Nylon, Stainless Steel

4шт.

19

BN311631

BOLT,#10 - 24 x 3/4", SST

10-24 x .75, BSH, Stainless Steel

4шт.

20

BN303201

U-BOLT

BOLT "U" 1/4 x 2.38R x 3.75

1шт.

Выбрано товаров: 21