Запчасти Case IH SPX3320 (09-020) - VALVE PLUMBING GROUP, 5 SECTION, CENTER Liquid Plumbing

Схема запчастей Case IH SPX3320 - (09-020) - VALVE PLUMBING GROUP, 5 SECTION, CENTER Liquid Plumbing
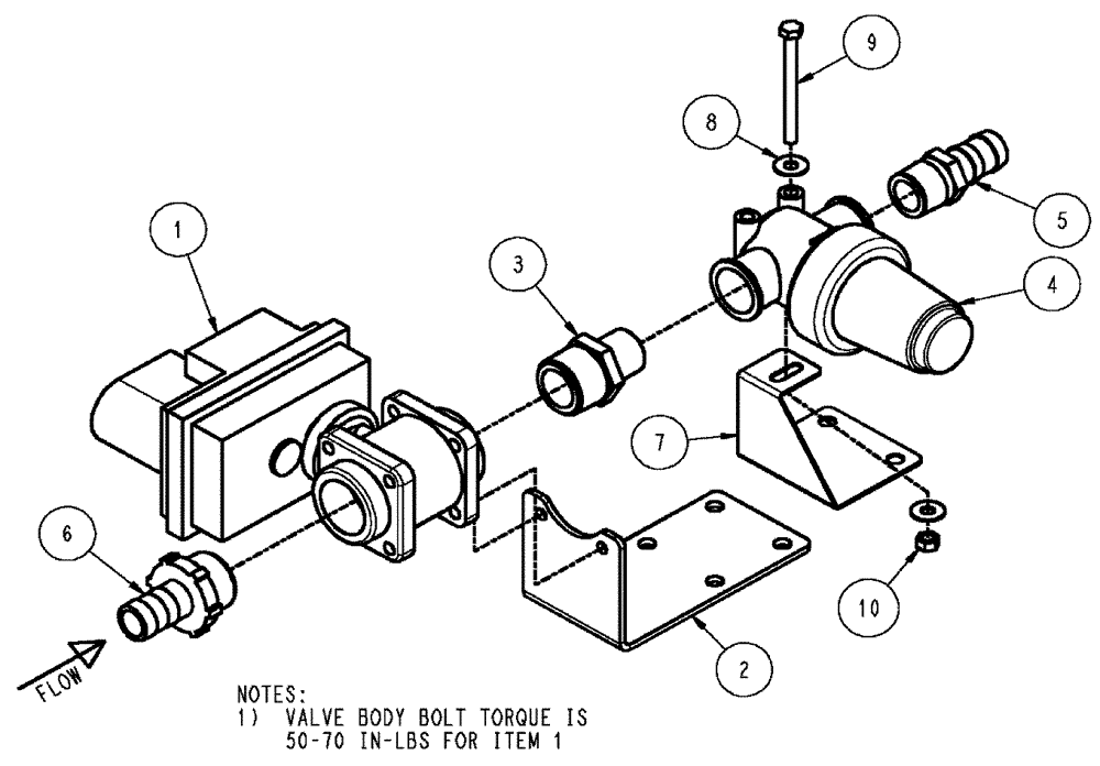
9
7
1
3
4
6
2
10
8
5
FIT
1:1
100%

Артикул

Название

Примечание

Количество

1

87268179

VALVE

1.25" Ball, Electric

1шт.

See Fig. 09-021

1шт.

2

BN319996

BRACKET

NPT BALL VALVE

1шт.

3

BN73656

NIPPLE,1-1/4" Male NPT x 1" Male NPT, Poly

1-1/4" NPT x 1" NPT, Poly

1шт.

4

BN320072

FILTER STRAINER

1" NPT, 50 Mesh, Poly

1шт.

See Fig. 09-022

1шт.

5

BN53476

FITTING,1" Male NPT x 1" Hose Barb, Poly

1" NPT x 1" Hose Barb, Poly

1шт.

6

BN73657

FITTING,1-1/4" Male NPT x 1" Hose Barb, Poly

1-1/4" NPT x 1" Hose Barb, Poly

1шт.

7

BN320060

BRACKET

STRAINER, CTR

1шт.

8

BN50142

WASHER,5/16", Stainless Steel

2шт.

9

BN320109

BOLT,5/16"-18 X 3.50", Stainless

1шт.

10

BN55361

NUT,5/16"-18, Nylon, Stainless

1шт.

Выбрано товаров: 12