Запчасти Case IH SPX3320 (11-017) - FOAMER TANK GROUP Options

Схема запчастей Case IH SPX3320 - (11-017) - FOAMER TANK GROUP Options
17
23
15
2
22
9
24
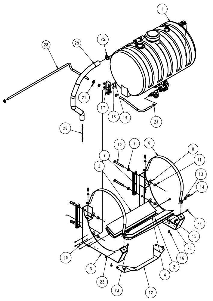
1
16
25
18
5
10
7
11
3
26
21
6
14
19
4
23
12
8
20
13
22
28
29
FIT
1:1
100%

Артикул

Название

Примечание

Количество

1

87522843

FOAM, PLUMBING, SEE FIG. 011-018

1шт.

2

87270466

CRADLE

FOAMER, FRONT

1шт.

3

87270467

CRADLE

FOAMER, REAR

1шт.

4

87265766

SUPPORT

Foam Tank

2шт.

5

87265767

RUBBER STRIP

694mm Long x 152mm Wide x 3mm Thick

2шт.

6

87270468

STRAP

TANK, 55 GAL.

2шт.

7

87269940

PLATE

Mount, Support

2шт.

8

87529305

WASHER,17.5mm ID x 56mm OD x 5mm Thk

17.5 x 56 x 5 mm CST DOR

4шт.

9

87529306

WASHER,17.5mm ID x 30mm OD x 4mm Thk

17.5 x 30 x 4 mm, HDN, DOR

4шт.

10

87341861

BOLT,Hex, M16 x 140mm, Cl 10.9

Hex, M16 x 140 CL10.9 DOR

4шт.

11

86980517

NUT,Hex, M16 - 2, Cl 8.8, DOR

4шт.

12

87265768

SUPPORT

Plumbing, Foam Tank

1шт.

13

86981496

WASHER,13.3mm ID x 24.5mm OD x 3mm Thk

8шт.

14

86980420

BOLT,Hex, M12 x 1.75 x 30mm, Cl 8.8, Full Thd

4шт.

15

100038

NUT,M12 x 1.75, Cl 8

6шт.

16

86980418

BOLT,Hex, M12 - 1.75 x 20mm, Cl 8.8, DOR

M12 1.75 X 20, HH, 8.8, DOR

2шт.

17

87727677

PUMP,12V

Diaphragm, 1 GPM, 12V, Foam Transfer

1шт.

18

BN310265

WASHER

10, Stainless Steel

4шт.

19

BN310266

BHD LOCK NUT,#10-24, Nylon, Stainless Steel

4шт.

20

BN311631

BOLT,#10 - 24 x 3/4", SST

10-24 x .75, BSH, Stainless Steel

4шт.

21

248-2178

GROMMET,3/4" ID x 1 1/16" Groove Dia

1шт.

22

86980399

BOLT,Hex, M10 x 1.5 x 20mm, Cl 8.8, Full Thd

M10-1.5 X 20, HH, 8.8, DOR

4шт.

23

86980515

NUT,Hex, M10 x 1.5, Cl 8.8, DOR

4шт.

24

BN324022

HOSE CLAMP

#8, Stainless Steel

4шт.

25

BN310448

HOSE CLAMP

#28, Stainless Steel

1шт.

26

BN309265

CABLE

TIE

1шт.

27

BN75913

TUBE

3/8 EVA

1шт.

28

BN309785

HOSE

Kanaflex 390SD, 1 1/2" x 13.8'

1шт.

Выбрано товаров: 28