Запчасти Case IH SPX3320 (11-021) - SOLENOID GROUP, CENTER SECTION Options

Схема запчастей Case IH SPX3320 - (11-021) - SOLENOID GROUP, CENTER SECTION Options
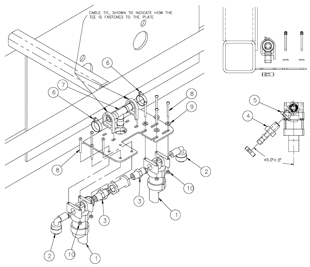
6
1
1
8
7
4
2
2
3
6
9
3
8
10
5
10
FIT
1:1
100%

Артикул

Название

Примечание

Количество

1

BN307938

VALVE

Solenoid, 1/4" NPT

2шт.

2

BN2399411

ADAPTER

Elbow, 1/4" MPT x 3/8" OD Tube, Push Lock Fitting

2шт.

3

86986808

NIPPLE

1/4" Short, Poly

2шт.

4

86986810

FITTING

Hosebarb, 3/8" X 1/4" NPT

1шт.

5

86986807

TEE

1/4" Poly

1шт.

6

BN324022

HOSE CLAMP

#8, Stainless Steel

4шт.

7

BN324009

TEE

ALL 1/2" HB, POLY

1шт.

8

BN317051

BOLT

6-32 X 1.25"

8шт.

9

87529123

WASHER,0.16" ID x 0.38" OD x 0.05" Thk

0.156 x 0.375 x 0.049 CST DOR

4шт.

10

BN317053

LOCK NUT

6-32 nylon lock

8шт.

Выбрано товаров: 10