Запчасти Case IH SPX3320 (11-046) - MIRROR ASSEMBLY, MANUAL Options

Схема запчастей Case IH SPX3320 - (11-046) - MIRROR ASSEMBLY, MANUAL Options
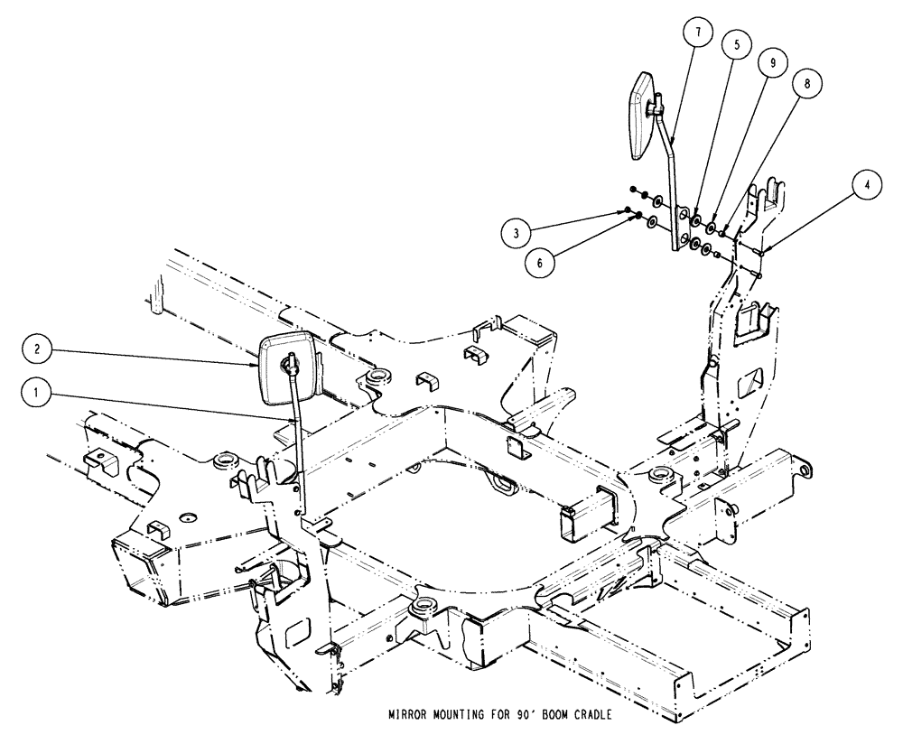
7
8
6
1
5
2
4
3
9
FIT
1:1
100%

Артикул

Название

Примечание

Количество

1

84136659

MOUNT

MIRROR, RH, Start Year: 01-SEP-08

1шт.

87613139

MIRROR, RH, Years: -01-SEP-08

1шт.

Indicates Old Part Number or Can Order Newer Part Number Listed above

1шт.

2

87350494

MIRROR ASSY.,240mm x 329mm

Manual Head, Start Year: 01-SEP-08

2шт.

365414A1

MIRROR

head, manual, 1800 mm, Years: -01-SEP-08

2шт.

Indicates Old Part Number or Can Order Newer Part Number Listed above

1шт.

3

100038

NUT,M12 x 1.75, Cl 8

4шт.

4

86980423

BOLT,Hex, M12 x 1.75 x 40mm, Cl 8.8, Full Thd

4шт.

5

BN320147

GROMMET

2 X 3/4 X 7/16

4шт.

6

87529310

WASHER,13.5mm ID x 28mm OD x 4mm Thk

13.5 x 28 x 4 mm, HDN, DOR

4шт.

7

84136660

MOUNT

MIRROR, LH, Start Year: 01-SEP-08

1шт.

87613137

MIRROR, LH, Years: -01-SEP-08

1шт.

Indicates Old Part Number or Can Order Newer Part Number Listed above

1шт.

8

BN320164

BUSHING

MIRROR, BRACKET

4шт.

9

BN320165

WASHER

MIRROR, BRACKET

8шт.

Выбрано товаров: 15