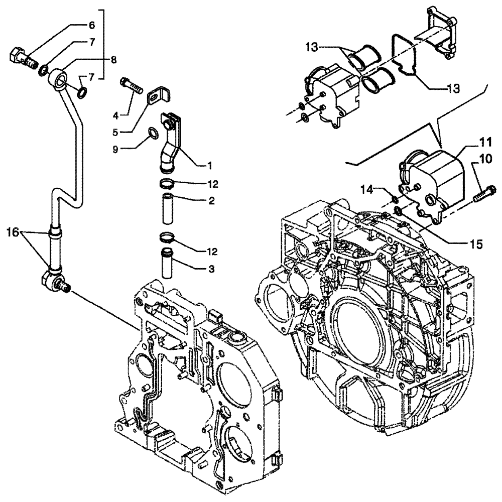
Запчасти Case IH SPX3320 (03-011) - BREATHER - ENGINE (01) - ENGINE

Схема запчастей Case IH SPX3320 - (03-011) - BREATHER - ENGINE (01) - ENGINE
13
9
7
13
16
15
7
10
4
2
14
5
11
6
1
3
12
8
12
FIT
1:1
100%

Артикул

Название

Примечание

Количество

1

4897534

TUBE

RIGID

1шт.

2

4897546

RUBBER SLEEVE

1шт.

3

4897547

TUBE

RIGID

1шт.

4

4897537

SCREW

1шт.

5

4897536

BRACKET

1шт.

6

2852772

BANJO BOLT

M12 X 1.5 X 30

2шт.

7

4899926

SEALING WASHER,11.8mm ID x 18.0mm OD x 1.5mm Thk

4шт.

8

4899219

TUBE

RIGID

1шт.

9

4898439

O-RING,20.29mm ID x 2.62mm Width

D20.2 SP=2.62

1шт.

10

4899092

SCREW,Hex Flg, M6 x 1 x 25

3шт.

11

4892871

BREATHER

Crankcase

1шт.

Includes Refs. 13 - 15; Remainder of Components Not Serviced Separately

1шт.

12

4893234

HOSE CLAMP

COLLAR, RETAINER

2шт.

13

2830592

AIR FILTER

BREATHER

2шт.

14

4898372

O-RING,13.11mm ID x 2.62mm Width

1шт.

15

2830304

O-RING

1шт.

16

4899242

CLAMP

2шт.

Выбрано товаров: 17