Запчасти Case IH SPX3320 (03-036) - PIPING - ENGINE OIL (01) - ENGINE

Схема запчастей Case IH SPX3320 - (03-036) - PIPING - ENGINE OIL (01) - ENGINE
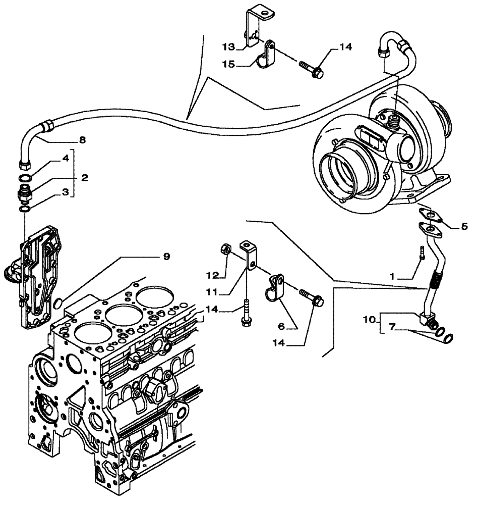
7
8
6
14
4
1
10
14
5
9
11
12
13
15
2
3
5
14
FIT
1:1
100%

Артикул

Название

Примечание

Количество

1

4899079

SCREW,Hex Flg, M8 x 1.25 x 25

2шт.

2

2857015

HYD CONNECTOR,Hex, M12 x 1.5 x 6.7mm ID x 32mm L

TURBO OIL DRAIN

1шт.

4895610

O-RING,2.2mm Thk x 9.3mm ID

1шт.

Service Parts for Ref. 2

1шт.

2857015

HYD CONNECTOR,Hex, M12 x 1.5 x 6.7mm ID x 32mm L

1шт.

Service Parts for Ref. 2

1шт.

4899108

O-RING,0.364mm ID x 0.07mm Width

1шт.

Service Parts for Ref. 2

1шт.

3

4899107

O-RING,1.8mm Thk x 10.52mm ID

1шт.

4

4899108

O-RING,0.364mm ID x 0.07mm Width

1шт.

5

4891288

GASKET,0.8mm Thk

1шт.

6

4896893

CLAMP,20mm W

1шт.

7

4899058

O-RING,0.674" ID x 0.88" OD x 0.103"

2шт.

8

2852746

HOSE,6.35mm ID x 698mm L

1шт.

9

4895089

PLUG,0.886" L

1шт.

10

2854585

TUBE

1шт.

11

2852390

BRACKET

1шт.

12

4899003

FLANGE NUT,M8 x 1.25

1шт.

13

2852380

BRACKET

1шт.

14

4899068

BOLT,Flng, M8 x 1.25 x 16mm

3шт.

15

4895579

CLAMP

1шт.

Выбрано товаров: 21