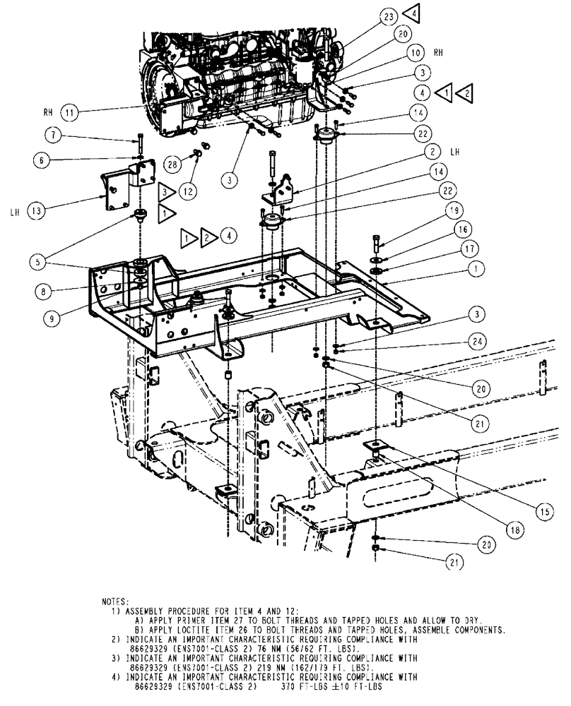
Запчасти Case IH SPX3320 (03-047) - ENGINE MOUNTING GROUP (01) - ENGINE

Схема запчастей Case IH SPX3320 - (03-047) - ENGINE MOUNTING GROUP (01) - ENGINE
3
18
19
14
6
10
24
23
4
8
1
14
17
7
5
9
12
20
13
22
21
20
3
20
2
4
22
3
28
21
11
16
FIT
1:1
100%

Артикул

Название

Примечание

Количество

1

87580647

MOUNTING PLATE

ENG SUBFRAME

1шт.

2

87547317

MOUNTING PLATE

Engine, LH

1шт.

3

87529310

WASHER,13.5mm ID x 28mm OD x 4mm Thk

13.5 x 28 x 4 mm, HDN, DOR

14шт.

4

87022683

BOLT,Hex, M12 x 40mm, Cl 10.9

14шт.

5

117846A1

INSULATOR BLOCK,16.69mm ID x 64.8mm OD x 84.6mm L

RUBBER BLOCK engine mount

2шт.

6

87529306

WASHER,17.5mm ID x 30mm OD x 4mm Thk

17.5 x 30 x 4 mm, HDN, DOR

2шт.

7

86980448

BOLT,Hex, M16 x 100mm, Cl 8.8

M16 2 X 100, HH, 8.8, DOR

2шт.

8

BN316871

WASHER

SNUBBER, TOP

2шт.

9

86980517

NUT,Hex, M16 - 2, Cl 8.8, DOR

2шт.

10

87547318

MOUNTING PLATE

Engine, RH

1шт.

11

87271346

MOUNTING PLATE

Rear, RH

1шт.

12

87605320

BOLT

Hex, 5/8"-11 x 1 1/2", G5

6шт.

13

87271347

MOUNTING PLATE

Rear, LH

1шт.

14

86980422

BOLT,Hex, M12 x 35mm, Cl 8.8

M12-1.75 X 35, HH, 8.8 DOR

4шт.

15

86986942

ISOLATOR

RUBBER

4шт.

16

BN322925

WASHER

REBOUND M20

4шт.

17

87270628

ISOLATOR

RUBBER

4шт.

18

87270502

MOUNTING PLATE

BUSHING, ENGINE

4шт.

19

87341550

BOLT,Hex, M20 - 2.5 x 80mm, Class 8.8, DOR

M20 x 80, 8.8

4шт.

20

87529307

WASHER,22mm ID x 37mm OD x 4mm Thk

22 x 37 x 4 mm, HDN, DOR

6шт.

21

86980518

NUT,Hex, M20 - 2.5, Cl 8.8, DOR

6шт.

22

BN324263

MOUNTING PLATE

CENTER BONDED

2шт.

23

87341998

BOLT,Hex, M20 x 130mm, Cl 10.9

Hex, M20 x 130 CL10.9 DOR

2шт.

24

100038

NUT,M12 x 1.75, Cl 8

4шт.

26

BN1243001

LOCTITE

243-31 Removable

1шт.

27

BN307971

SEALANT

thread

1шт.

28

87529306

WASHER,17.5mm ID x 30mm OD x 4mm Thk

17.5 x 30 x 4 mm, HDN, DOR

6шт.

Выбрано товаров: 27