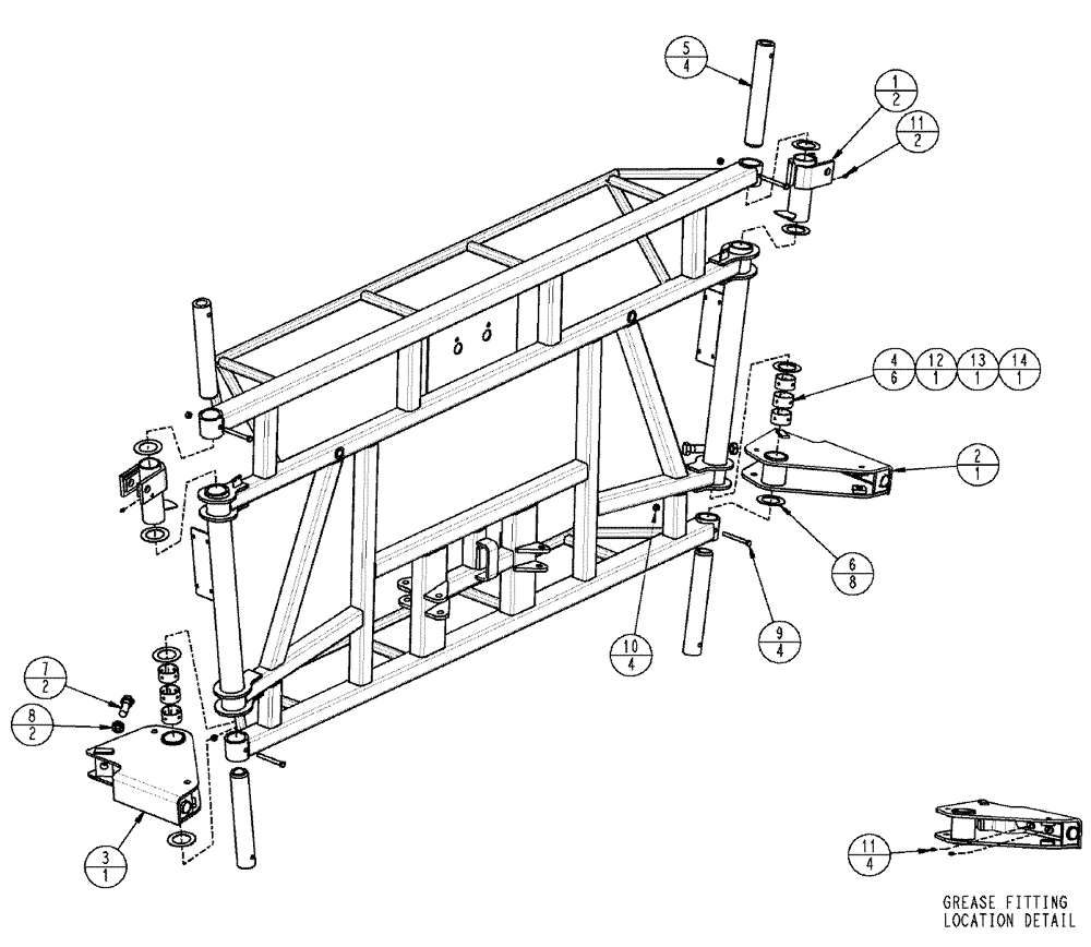
Запчасти Case IH SPX3320 (08-007) - MAST PIVOT ASSEMBLY (09) - BOOMS

Схема запчастей Case IH SPX3320 - (08-007) - MAST PIVOT ASSEMBLY (09) - BOOMS
4
7
9
13
10
2
14
11
6
8
5
12
11
3
1
FIT
1:1
100%

Артикул

Название

Примечание

Количество

1

BN306666

MOUNTING PARTS

WELDMENT, CYL. MOUNT

2шт.

2

87268416

PIVOT

Inner Boom, LH

1шт.

3

87268417

PIVOT

Inner Boom, RH

1шт.

4

87552137

BEARING COVER

Sleeve, Lower

6шт.

5

BN306646

TUBE

Inner Pivot

4шт.

6

BN302048

SHIM,64.01mm ID x 98.55mm OD x 2.55mm Thk

3.88" od x 2.52 id x 14 GA

8шт.

7

87644287

BOLT

1-14 x 3, GR8, DOR

2шт.

8

87310319

JAM NUT,1"-14, G8

2шт.

9

86980431

BOLT

M12-1.75 X 110, HH, 8.8 DOR

4шт.

10

100038

NUT,M12 x 1.75, Cl 8

4шт.

11

BN302051

NIPPLE, LUBE,M8 x 1, Straight

NIPPLE 8 mm x 1 Straight

6шт.

12

331-37

SPARE PART

FLUID, 1 lb. Lithium #2 grease

1шт.

13

BN307971

SEALANT

thread

1шт.

14

B17423

LOCTITE

271 Red, 50 ml bottle

1шт.

Выбрано товаров: 14