Запчасти Case IH SPX3320 (01-021) - BRAKE CONTROL Cab Interior

Схема запчастей Case IH SPX3320 - (01-021) - BRAKE CONTROL Cab Interior
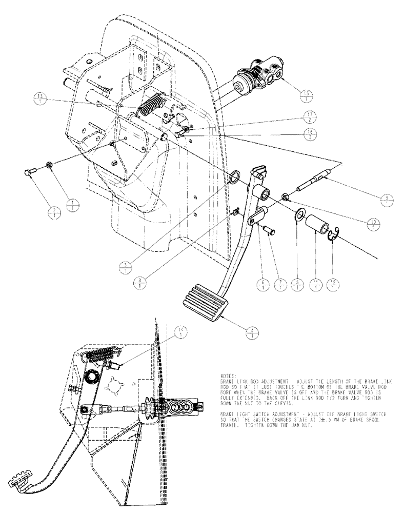
8
11
4
7
17
10
13
9
6
16
2
1
5
15
14
3
12
FIT
1:1
100%

Артикул

Название

Примечание

Количество

1

43362

NUT,M8 x 1.25, Cl 10

1шт.

2

43127

BOLT,Hex, M8 x 1.25 x 25mm, Cl 8.8

1шт.

3

258242A1

WASHER,26mm ID x 35mm OD x 4mm Thk

1шт.

4

87269649

PEDAL

LH

1шт.

5

T102217

WASHER,20.1mm ID x 35mm OD x 2mm Thk

POM

1шт.

6

236323A1

CLEVIS

BRAKE

1шт.

7

192869A1

CLEVIS PIN

1шт.

8

193182A1

CLIP

PIN

1шт.

9

87377626

ROD

BRAKE

1шт.

10

86500689

NUT,M10 x 1.5, Cl 10

1шт.

11

87269656

SPACER,20.60 mm ID x 28.60 mm OD x 52 mm L

TUBE, SPACER

1шт.

12

800-3120

CIRCLIP,M20

1шт.

13

236504A3

SPRING

BRAKE

1шт.

14

279265A2

SWITCH

differential lock brake

1шт.

15

380930A1

VALVE

brake

1шт.

16

80043233

SCREW

Hex, M8 x 20, 10.9

2шт.

17

86624184

WASHER,9mm ID x 16mm OD x 1.6mm Thk

2шт.

Выбрано товаров: 17