Запчасти Case IH SPX3320 (05-001) - GEAR RATIO GROUP Hub, Wheel & Tires

Схема запчастей Case IH SPX3320 - (05-001) - GEAR RATIO GROUP Hub, Wheel & Tires
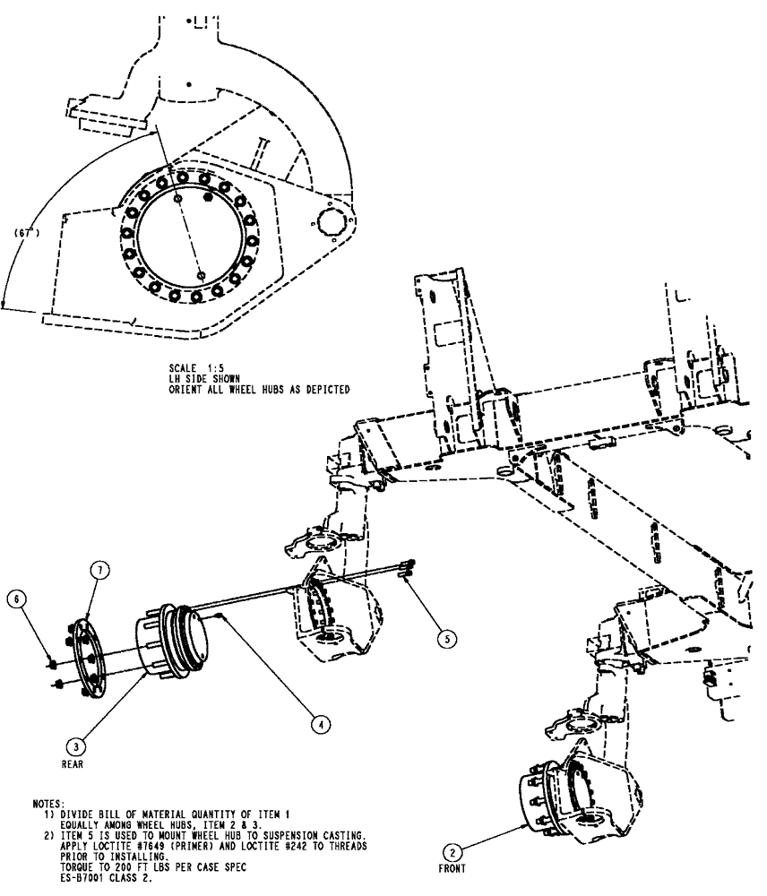
7
6
5
4
3
2
FIT
1:1
100%

Артикул

Название

Примечание

Количество

1

87027134

FLUID

Oil, SAE 85W140, MS1616NH 1QT

4шт.

2

87269800

GEARBOX

Planetary 25.2:1

2шт.

84280675R

REMAN-GEARBOX

SPX3320 (11/06-4/09), Reman For New P/N 87269800

2шт.

84280675C

CORE-GEARBOX

Return Number

1шт.

See Fig. 05-002

1шт.

3

87269801

GEARBOX

Planetary 31:1

2шт.

See Fig. 05-003

1шт.

87269801R

REMAN-GEARBOX

SPX3320,

2шт.

87269801C

CORE-GEARBOX

Return Number

1шт.

4

BN302640

FITTING

4MOR 4MB

4шт.

5

BN304226

BOLT

M16-2 X 45, FH, 10.9

72шт.

6

BN315229

WHEEL NUT

Flange, Wheel, 22 mm

40шт.

7

BN306152

SPACER

WHEEL HUB

2шт.

Выбрано товаров: 13