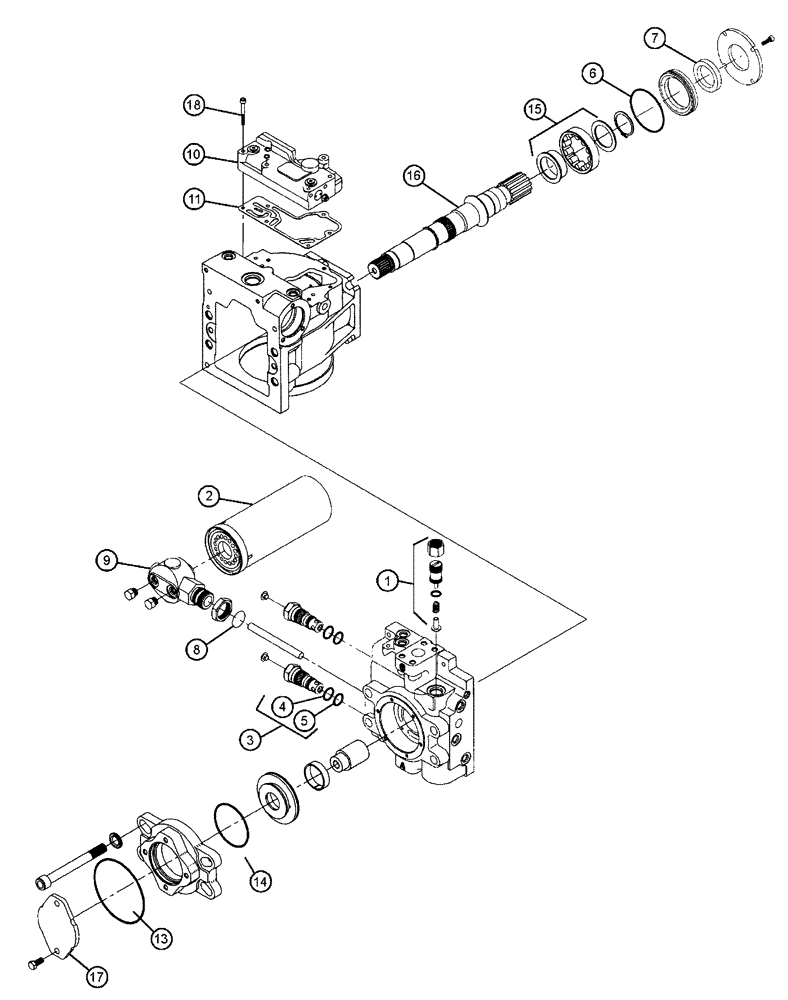
Запчасти Case IH SPX4260 (06-026) - HYDROSTATIC PUMP Hydraulic Plumbing

Схема запчастей Case IH SPX4260 - (06-026) - HYDROSTATIC PUMP Hydraulic Plumbing
15
11
16
7
13
18
2
14
5
3
17
8
10
4
6
9
1
FIT
1:1
100%

Артикул

Название

Примечание

Количество

1

BN300952

KIT

Charge Relief

1шт.

2

N14232

FILTER

Element, Spin On

1шт.

3

BN65540

VALVE

Multi-Function 90S

2шт.

4

BN65541

O-RING

M/F Valve Upper

2шт.

5

BN65542

O-RING

M/F Valve Lower

2шт.

6

BN65544

O-RING

Shaft, 75 CC

1шт.

7

BN65546

SEAL

Lip, Shaft 75 CC

1шт.

8

BN68470

O-RING

Filter Head, 90 Pump

1шт.

9

BN69597

FILTER HEAD

Filter Mount, 90Ser, Head Only

1шт.

10

BN322127

CONTROL VALVE

HDC Control, Complete

1шт.

11

BN312702

GASKET

HDC Control

1шт.

13

BN312704

O-RING

SAE A Pad

1шт.

14

BN312705

O-RING,0.103" Thk x 4.737" ID, -158, Cl 7, 75 Duro

Auxiliary Flange

1шт.

14

NSS

NOT SOLD SEPARAT

O-Ring, Auxiliary Flange (B Pad)

1шт.

Indicates Old Part Number Or Can Order Newer Part Number Listed Above

1шт.

15

BN312706

BEARING, ROLLER,40mm ID x 90mm OD x 23mm W

1шт.

16

BN312707

SHAFT

14T 12/24

1шт.

17

BN312708

PLATE

Cover

1шт.

18

BN312709

SCREW

6шт.

Выбрано товаров: 19