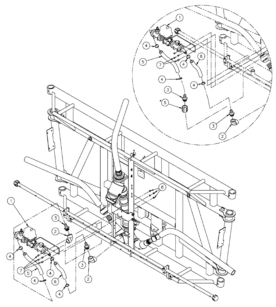
Запчасти Case IH SPX4260 (09-008) - BOOM PLUMBING GROUP, HV, CTR, 5 SECTION, 10" ON CENTER Liquid Plumbing

Схема запчастей Case IH SPX4260 - (09-008) - BOOM PLUMBING GROUP, HV, CTR, 5 SECTION, 10" ON CENTER Liquid Plumbing
3
4
5
4
5
4
4
7
7
1
4
6
4
2
2
3
3
4
1
3
4
8
6
2
FIT
1:1
100%

Артикул

Название

Примечание

Количество

1

342626A1

VALVE

plumbing group, 5 section, center

1шт.

See Fig. 09-003

1шт.

2

BN313202

ELBOW

1 1/4" NPT 90 Degree

2шт.

3

BN73657

FITTING,1-1/4" Male NPT x 1" Hose Barb, Poly

1-1/4" NPT x 1" Hose Barb, Poly

2шт.

4

BN310447

HOSE CLAMP

# 20, 304 SS

4шт.

5

BN325120

HOSE,1.00" ID x 16.50"

EPDM

1шт.

6

BN325002

1.00" EPDM X 13.5"

1шт.

7

BN50250

BOLT,3/8"-16 x 3/4", Stainless Steel

4шт.

8

BN50759

LOCK NUT,3/8"-16, Nylon, Stainless

4шт.

Выбрано товаров: 9