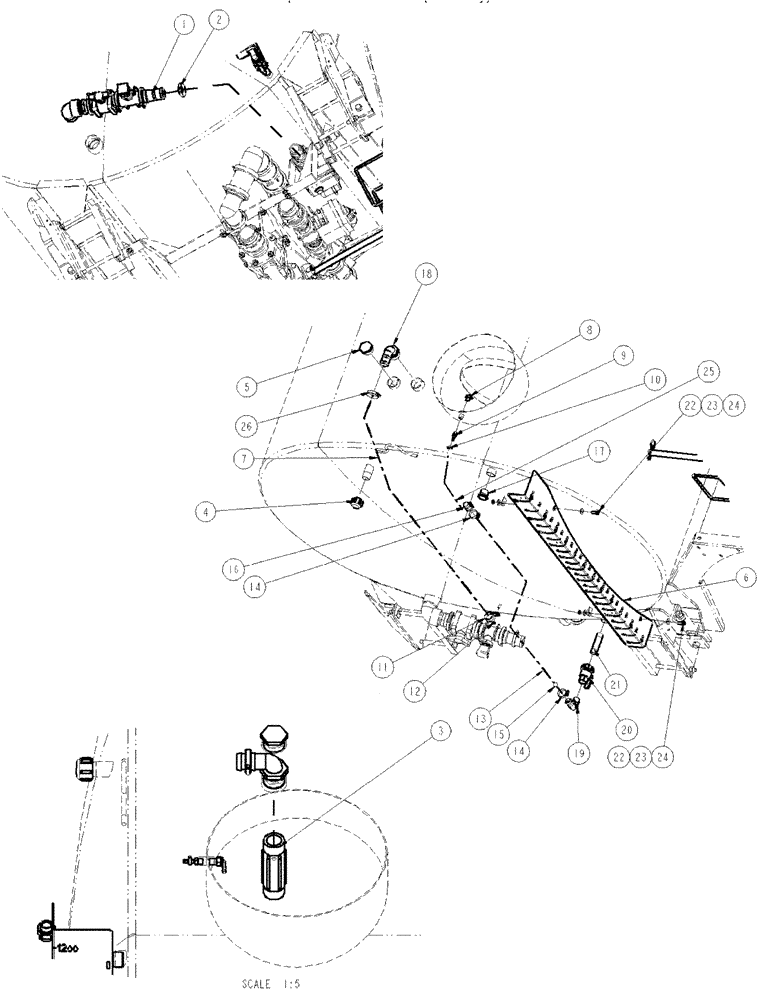
Запчасти Case IH SPX4260 (09-048) - 1200 GALLON TANK, FRONT PLUMBING Liquid Plumbing

Схема запчастей Case IH SPX4260 - (09-048) - 1200 GALLON TANK, FRONT PLUMBING Liquid Plumbing
25
4
13
2
18
1
10
8
3
24
14
15
21
23
7
19
20
9
17
5
11
26
12
22
24
4
6
16
23
22
FIT
1:1
100%

Артикул

Название

Примечание

Количество

1

BN324096

VALVE

Tank Sparge

1шт.

See Fig. 09-049

1шт.

2

BN310449

CLAMP,50mm - 65mm

#32, Stainless Steel

1шт.

3

BN324740

LUBE NIPPLE

1.5" X 6", Rework

1шт.

4

BN73606

CAP

1" NPT, Poly Pipe

1шт.

5

BN73731

PLUG,1-1/2" Male NPT, Poly

1 1/2" Poly Pipe

1шт.

6

342224A1

GAUGE

Sight, 1200 Gallon Tank

1шт.

7

BN322958

FLEXIBLE HOSE,1.50" ID x 90.00"

Kanaflex

1шт.

8

BN73412

ELBOW,90 Degree,1/4" MPT x 1/4" HB

1/4" NPT x 1/4" Hose Barb, Poly

1шт.

9

BN53433

FITTING

HB,1/4" NPT X 1/4" HS, STL

1шт.

10

BN76094

HOSE CLAMP

SS #M4

1шт.

11

BN570018

CLAMP

Vinyl Coated 1-7/16

1шт.

12

86528579

NUT,M8 x 1.25

1шт.

13

342673A1

HOSE

1" id x 55" clear

1шт.

14

BN310447

HOSE CLAMP

#20, Stainless Steel

2шт.

15

BN326104

BALL

3/4" Poly (Floating)

1шт.

16

342672A1

FITTING

Hosebarb, 1" Reworked

1шт.

17

BN73604

PLUG,1" Poly Pipe Plug

1" NPT, Pipe Poly

1шт.

18

BN73723

ELBOW,90 Degree Elbow, 1-1/2" Male NPT x 1-1/2" Hose Barb, Poly

1-1/2" NPT x 1-1/2" Hose Barb, Poly

1шт.

19

BN326113

FITTING

Barb Assembly, Hose-W/Pin

1шт.

20

BN324588

VALVE

Ball 3/4" SU Poly

1шт.

21

BN73576

NIPPLE

3/4 X 4 Poly

1шт.

22

BN50254

BOLT,3/8"-16 x 1", Stainless

2шт.

23

BN50146

WASHER,3/8", Stainless

14шт.

24

BN50759

LOCK NUT,3/8"-16, Nylon, Stainless

2шт.

25

BN318772

HOSE,0.25" ID x 126.50"

EPDM

1шт.

26

BN310448

HOSE CLAMP

#28, Stainless Steel

1шт.

Выбрано товаров: 27