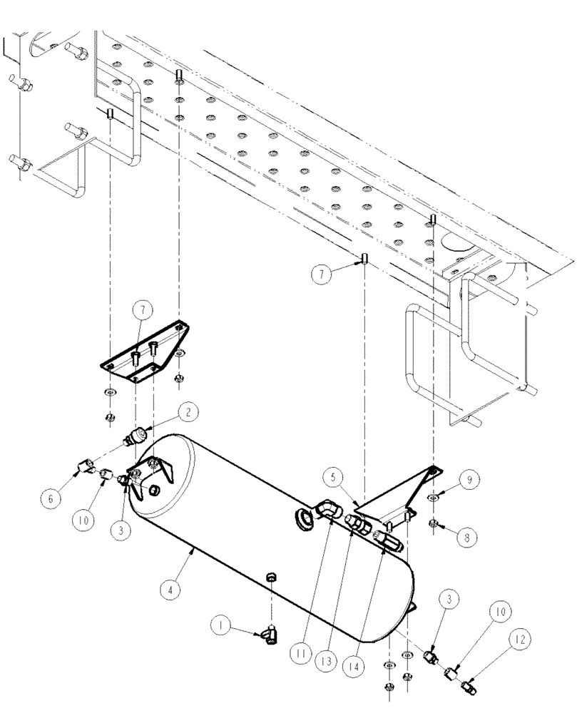
Запчасти Case IH SPX4260 (11-011) - AIR COMPRESSOR TANK GROUP Options

Схема запчастей Case IH SPX4260 - (11-011) - AIR COMPRESSOR TANK GROUP Options
5
7
7
12
14
10
9
11
6
3
13
1
8
2
10
3
4
FIT
1:1
100%

Артикул

Название

Примечание

Количество

1

BN2292239

DRAINCOCK/TAP SUPPLY

BW103385

1шт.

2

BN2393326

COUPLING

B32

1шт.

3

BN324303

LUBE NIPPLE

Red-3/8 X 1/4 NPT SS

2шт.

4

BN316553

AIR TANK

8" DIA X 32"

1шт.

5

BN320973

BRACKET, SUPPORTING

Air Tank

2шт.

6

BN73017

ELBOW

90 Street-1/4" SS

1шт.

7

11106231

BOLT,Hex, M10 x 1.5 x 25mm, Cl 10.9

8шт.

8

100037

LOCK NUT,M10 x 1.5, Cl 8

8шт.

9

86639325

WASHER,10.8mm ID x 24.5mm OD x 3mm Thk

16шт.

10

BN73015

COUPLING

1/4" NPT SS Full

2шт.

11

BN319011

FITTING

NPT -12M-8F 90 Degree

1шт.

12

BN2290174

FITTING

0103-4-6

1шт.

13

BN2295247

CHECK VALVE

Air #5003980

1шт.

14

BN319013

FITTING

MP-8, MJIC-10 STR

1шт.

Выбрано товаров: 14