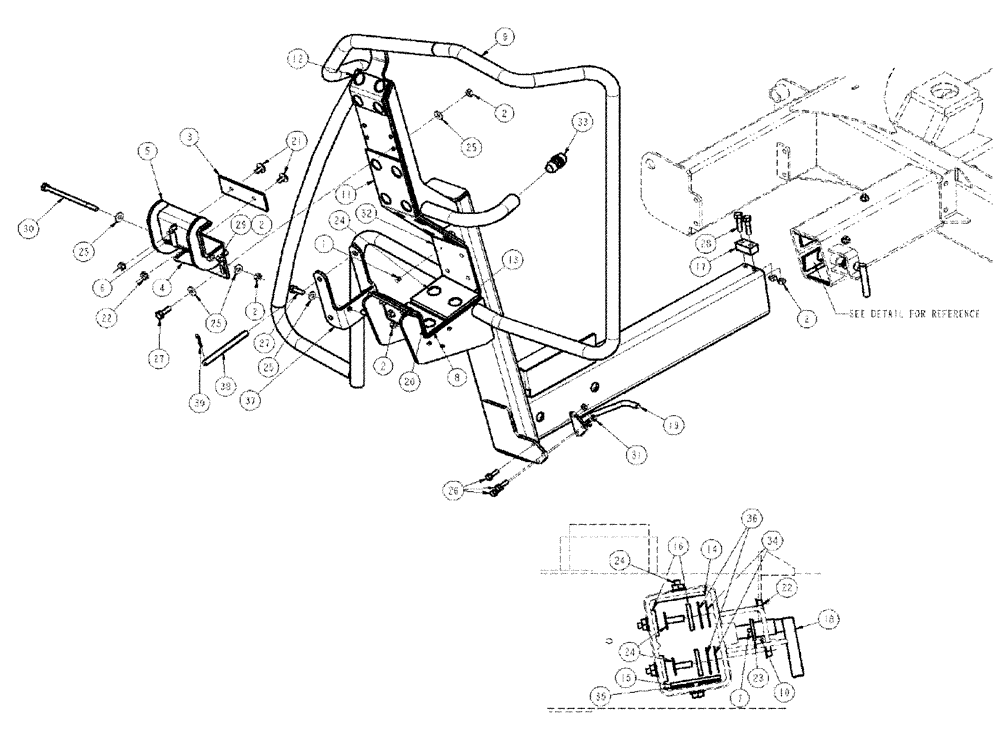
Запчасти Case IH SPX4260 (04-039) - HANDRAIL GROUP, LH FRONT Suspension & Frame

Схема запчастей Case IH SPX4260 - (04-039) - HANDRAIL GROUP, LH FRONT Suspension & Frame
29
35
31
25
16
11
24
35
2
9
34
25
25
17
21
12
22
3
33
15
20
19
27
3
25
32
36
24
13
4
39
28
6
24
2
2
22
37
26
8
5
27
2
16
30
2
1
10
23
14
FIT
1:1
100%

Артикул

Название

Примечание

Количество

1

151-513

RIVET,Pop, 3/16" x .700"

4шт.

2

100037

LOCK NUT,M10 x 1.5, Cl 8

11шт.

3

BN311805

PLATE

Liner, Cradle Lock

1шт.

4

BN311847

CLAMP

Cradle Hinge Weldment

1шт.

5

86986801

CRADLE

Top Boom

1шт.

6

BN313580

SPRING

Cradle Lock

1шт.

7

BN31444

PIN, ROLL

1/4 X 1 1/2

1шт.

8

BN319335

PAD

Boom

1шт.

9

342589A1

CRADLE

LH boom

1шт.

10

BN31937

SPRING

Compr .905 X .765 2

1шт.

11

BN323472

PAD

Boom Rest

1шт.

12

BN320594

PAD

Boom Rest, Outer

1шт.

13

BN320995

PAD

Boom Rest, Bottom

1шт.

14

BN321038

LINER

Top

1шт.

15

BN321039

LINER

Bottom

1шт.

16

BN323397

LINER

Cradle Slide

4шт.

17

BN321925

STOP

Boom Cradle

1шт.

18

BN321930

PIN

Cradle Stop

1шт.

19

BN322051

HOOK

LH

1шт.

20

BN322054

PAD

Boom, Bottom

1шт.

21

BN50014

BOLT

5/16"-18 x .75, EH

20шт.

22

BN50057

LOCK NUT,Lock, 5/16"-18, Stainless Steel

32шт.

23

BN50178

WASHER

1.25 OD X.75 ID X 10 GA

1шт.

24

BN50779

BOLT,5/16"-18 X 1.00", EH, DOR

12шт.

25

86625252

WASHER,10.8mm ID x 21.5mm OD x 2.5mm Thk

13шт.

26

43127

BOLT,Hex, M8 x 1.25 x 25mm, Cl 8.8

3шт.

27

43140

BOLT,Hex, M10 x 1.5 x 30mm, Cl 8.8

7шт.

28

120112

BOLT,Hex, M10 x 1.5 x 40mm, Cl 8.8, Full Thd

2шт.

29

86624000

BOLT,M10 x 1.5 x 156.58mm, Cl 8.8

1шт.

30

326100

BOLT,Hex, M10 x 1.5 x 170mm, Cl 8.8

1шт.

31

86528579

NUT,M8 x 1.25

3шт.

32

BN323473

PAD

Boom Rest

1шт.

*33

363226A1

BUMPER

door

1шт.

34

342582A1

SHIM

cradle liner, sides

2шт.

35

342580A1

SHIM

cradle liner, bottom

1шт.

36

342581A1

SHIM

cradle liner, sides

2шт.

37

342585A1

PLATE

Boom Lock

1шт.

38

342586A1

PIN,12.7mm OD x 154mm L

Boom Lock

1шт.

39

BN71006

COTTER PIN

1/8", #11

2шт.

Выбрано товаров: 0