Запчасти Case IH SPX4260 (03-010) - WASTEGATE ACTUATOR (01) - ENGINE

Схема запчастей Case IH SPX4260 - (03-010) - WASTEGATE ACTUATOR (01) - ENGINE
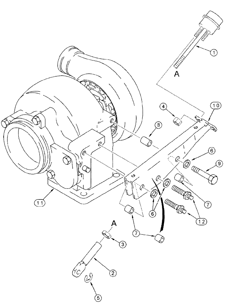
7
11
6
7
1
9
6
2
4
8
12
10
3
5
FIT
1:1
100%

Артикул

Название

Примечание

Количество

1

J593678

ACTUATOR

Turbo Wastegate

1шт.

1

J593678R

REMAN-SOLENOID

Cummins - ACTUATOR - Wastegate

1шт.

1

J593678C

CORE-SOLENOID

Return Number, ACTUATOR

1шт.

2

J528177

LINK

Adjusting

1шт.

3

425-155

JAM NUT,Jam, 5/16"-24, G5

1шт.

4

J528204

LOCK NUT

Lock

1шт.

5

J528221

CIRCLIP

Retaining

2шт.

5a

NSS

NOT SOLD SEPARAT

Housing - Turbine And Actuator Bracket

1шт.

6

86624184

WASHER,9mm ID x 16mm OD x 1.6mm Thk

3шт.

7

J532195

SPACER,9.38mm ID x 16.03mm OD x 13.7mm L

Mounting, Short

3шт.

8

J532196

SPACER,9.38mm ID x 16.03mm OD x 19mm L

Mounting, Long

1шт.

9

814-8055

BOLT,Hex, M8 x 1.25 x 55mm, Cl 8.8

1шт.

10

J533328

SUPPORT

Bracket - Wastegate Actuator

1шт.

11

NSS

NOT SOLD SEPARAT

Housing-Turbine

1шт.

12

J535874

STUD

Actuator Bracket

2шт.

Выбрано товаров: 15