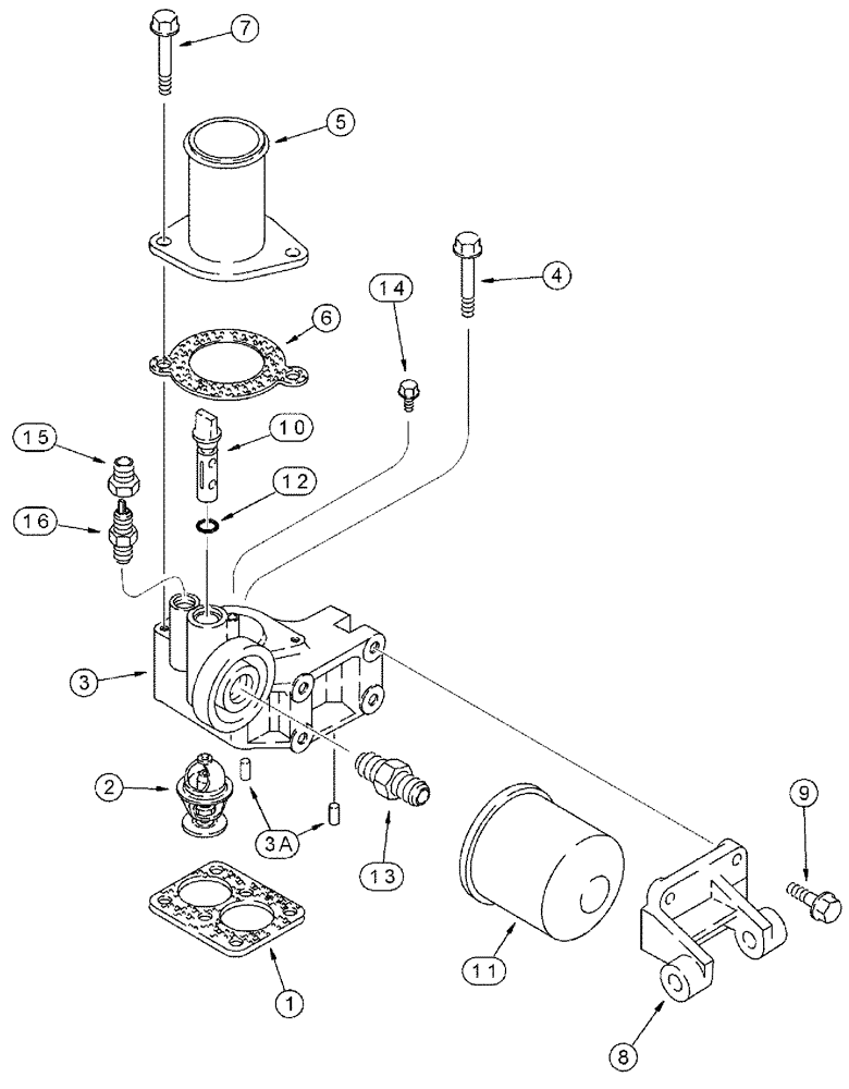
Запчасти Case IH SPX4260 (03-014) - THERMOSTAT HOUSING AND WATER FILTER (01) - ENGINE

Схема запчастей Case IH SPX4260 - (03-014) - THERMOSTAT HOUSING AND WATER FILTER (01) - ENGINE
3a
13
8
16
12
2
4
10
9
1
15
11
6
3
7
14
5
FIT
1:1
100%

Артикул

Название

Примечание

Количество

1

J914310

GASKET,0.8mm Thk

Thermostat Housing

1шт.

2

J928639

THERMOSTAT

Engine Coolant

1шт.

2a

J926509

HOUSING,Thermostat

Thermostat

1шт.

3

NSS

NOT SOLD SEPARAT

Housing - Thermostat

1шт.

3a

180811A1

ROLL PIN

special

2шт.

4

87015868

BOLT,Hvy Hex, M8 x 80mm, Cl 8.8

2шт.

5

J912800

CONNECTION

Tube - Water Outlet

1шт.

6

J918779

GASKET,1.19mm Thk

water outlet connection

1шт.

7

87015919

BOLT,Hvy Hex, M8 x 95mm, Cl 8.8

2шт.

8

J918544

SUPPORT

Mounting, Alternator

1шт.

9

845-8025

BOLT,Hex Flg, M8 x 25mm, Cl 8.8

4шт.

10

294926A1

SHUT-OFF VALVE

1шт.

11

J100304

FILTER

Water Conditioning, Precharge

1шт.

12

238-5111

O-RING,0.103" Thk x 0.424" ID, -111, Cl 5, 75 Duro

1шт.

13

A77623

ADAPTER,3/4" - 10 x 11/16" - 16

Filter Head

1шт.

14

845-6010

BOLT,Hvy Hex, M6 x 10mm, Cl 8.8

1шт.

15

J911925

COUPLING

Hose

1шт.

16

J911901

VALVE, CHECK

1шт.

Выбрано товаров: 18