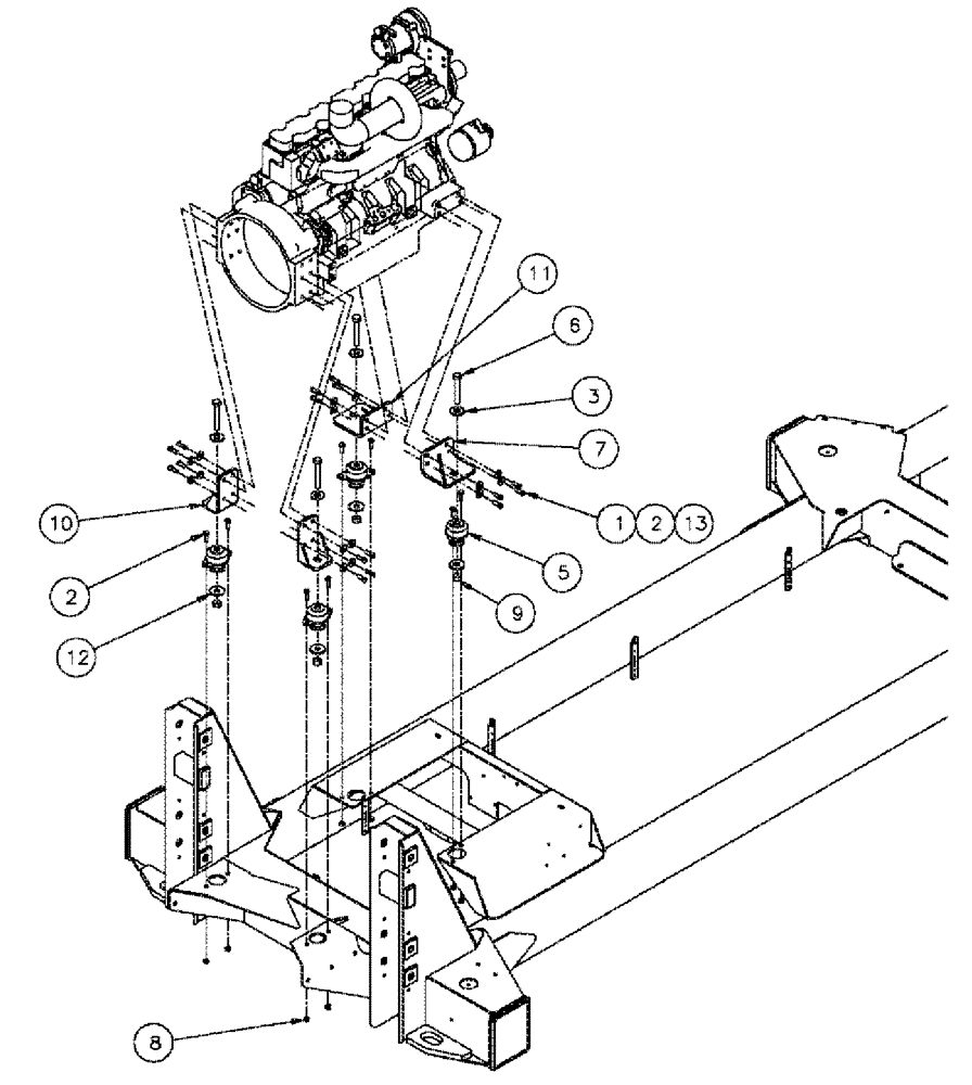
Запчасти Case IH SPX4260 (03-031) - ENGINE MOUNTING GROUP (01) - ENGINE

Схема запчастей Case IH SPX4260 - (03-031) - ENGINE MOUNTING GROUP (01) - ENGINE
8
12
8
1
5
2
9
3
11
2
13
10
7
FIT
1:1
100%

Артикул

Название

Примечание

Количество

1

BN300500

WASHER,M12, 10.9

15шт.

2

626-12035

BOLT,Hex, M12 x 1.75 x 35mm, Cl 10.9, Full Thd

24шт.

3

86639847

WASHER,21.8mm ID x 44.5mm OD x 5mm Thk

4шт.

5

BN304252

MOUNTING PARTS

4шт.

6

412427

BOLT,Hex, M20 x 2.5 x 130mm, Cl 8.8

4шт.

7

BN317665

ENGINE MOUNT

Engine RH

1шт.

8

100038

NUT,M12 x 1.75, Cl 8

8шт.

9

380424

NUT,M20 x 2.5, Cl 8

4шт.

10

BN310109

MOUNTING PARTS

Mount-Engine

2шт.

11

BN317662

MOUNTING PLATE

Engine LH

1шт.

12

BN322896

WASHER

4шт.

Выбрано товаров: 11