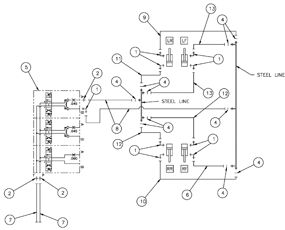
Запчасти Case IH SPX4260 (06-002) - HYDRAULIC GROUP, STANDARD AXLE Hydraulic Plumbing

Схема запчастей Case IH SPX4260 - (06-002) - HYDRAULIC GROUP, STANDARD AXLE Hydraulic Plumbing
2
1
8
4
2
4
9
4
1
4
12
4
5
1
10
13
13
1
2
7
12
4
7
11
6
1
4
FIT
1:1
100%

Артикул

Название

Примечание

Количество

1

BN302553

ELBOW

11/16-16 ORFS x 9/16-18 ORB

9шт.

1a

237-6006

O-RING,0.078" Thk x 0.468" ID, -906, Cl 6, 90 Duro

2шт.

1b

9993141

O-RING,0.07" Thk x 0.364" ID, -12, Cl 6, 90 Duro

2шт.

2

BN302646

FITTING

11/16-16 ORFS x 9/16-18 ORB

3шт.

4

BN305412

O-RING

For -6 FFOR

10шт.

5

BN319704

VALVE

3-Sect (Axle)

1шт.

See Fig. 06-025

1шт.

6

BN317622

HOSE ASSY.,9.53mm ID x 1498.6mm L, SAE 100R17

6 X 59"

1шт.

7

BN307824

HOSE ASSY.

2шт.

8

BN307814

HOSE

2шт.

9

BN322523

HYDRAULIC HOSE

6 X 55"

1шт.

10

BN320874

HOSE ASSY.,9.53mm ID x 1625.6mm L, SAE 100R17

6 X 64"

1шт.

11

BN313337

HOSE

6 X 50"

1шт.

12

BN307873

HOSE

2шт.

13

BN322525

HOSE ASSY.

6 X 48"

2шт.

Выбрано товаров: 15