Качественные детали и логистика
Оригинальные и аналоговые запчасти с доставкой по России, Казахстану и Беларуси
©2022 PartSell ООО "Система" ИНН 2463123282 ОГРН 1212400004838
Центральный офис: г. Красноярск, Академика Киренского, д.87, пом.4
Телефон: 8 (800) 777-65-74 Email: zakaz@partsell.ru
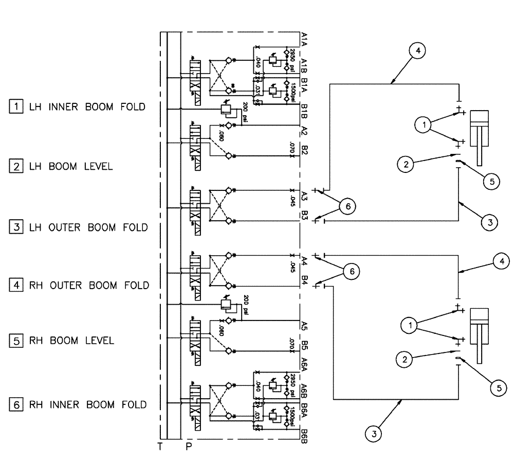
(06-006) - HYDRAULIC GROUP, OUTER FOLD, NO CYLINDER
№
Артикул
Название
Примечание
Количество
1
BN302553
ELBOW
11/16-16 ORFS x 9/16-18 ORB
4шт.
1a
237-6006
O-RING,0.078" Thk x 0.468" ID, -906, Cl 6, 90 Duro
2шт.
1b
9993141
O-RING,0.07" Thk x 0.364" ID, -12, Cl 6, 90 Duro
2
BN305412
O-RING
FOR-6FFOR
3
BN307879
HOSE ASSY.,6.35mm ID x 9855.2mm L
4
BN307880
HOSE ASSY.,6.35mm ID x 9423.4mm L, SAE 100R17
5
BN313268
ORIFICE
.042 -6 Disk
6
BN302646
FITTING
Выбрано товаров: 0