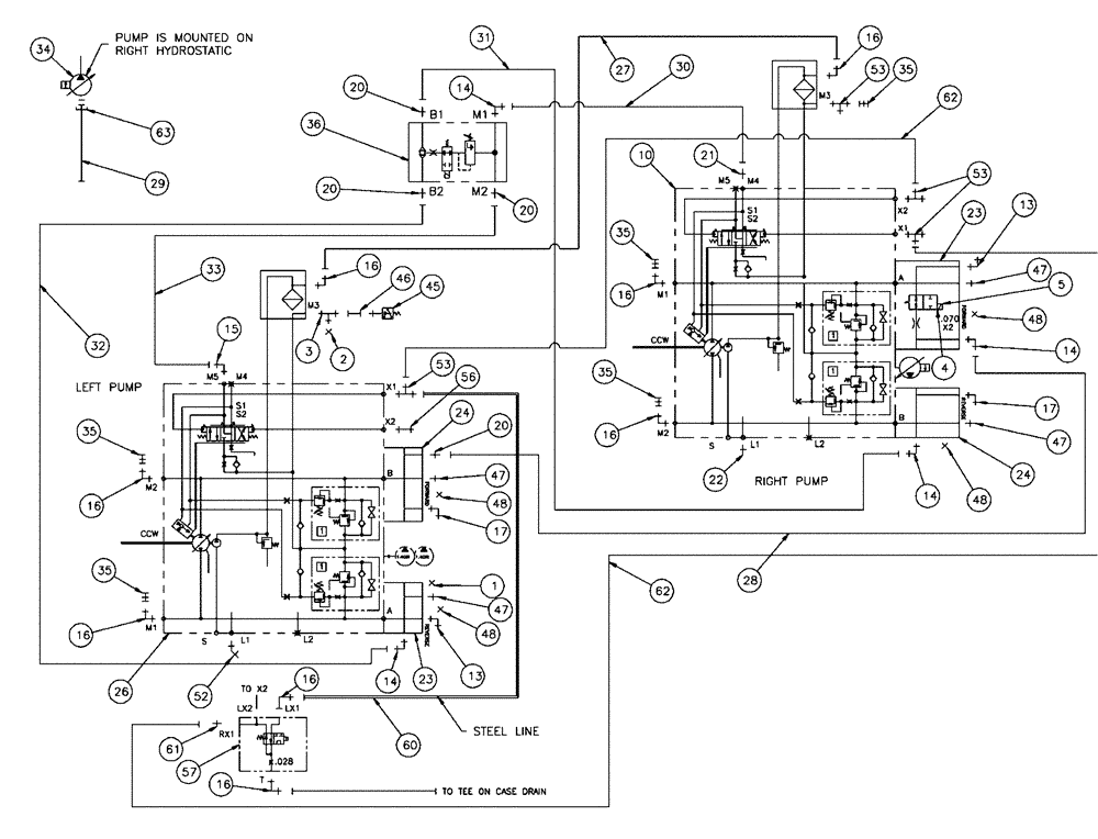
Запчасти Case IH SPX4260 (06-010) - HYDROSTATIC PUMP GROUP Hydraulic Plumbing

Схема запчастей Case IH SPX4260 - (06-010) - HYDROSTATIC PUMP GROUP Hydraulic Plumbing
47
35
29
27
28
35
63
35
62
16
14
35
20
10
16
22
13
20
45
62
1
16
56
20
32
34
47
14
18
61
24
48
52
36
17
48
53
15
47
4
26
16
3
60
20
2
48
16
16
23
17
47
24
35
48
5
16
14
46
57
13
33
53
23
53
30
14
31
21
FIT
1:1
100%

Артикул

Название

Примечание

Количество

0

BN300496

WASHER

M6, Flat, 10.9

2шт.

0

BN306620

BOLT

1/2-13 X 1.25, HH, G8

8шт.

0

353308

NUT,M6 x 1.0, Cl 8

2шт.

1

BN21243

PLUG

Hex, 7/8"-14, O-Ring

1шт.

2

BN21531

NUT,7/16"-20, 37 Degree

1шт.

3

BN21866

TEE,9/16"-18 O-Ring x 7/16:-20, 37 Degree

1шт.

4

BN300304

SOLENOID VALVE

Traction

1шт.

5

BN300307

COIL

12 VDC, Traction

1шт.

10

BN322126

HYDRAULIC PUMP,75 CC

90 75CC W/B 13T

1шт.

10

BN322126R

REMAN-HYD PUMP

SPX4260,

1шт.

10

BN322126C

CORE-HYDRAULIC PUMP

Return Number

1шт.

12

814-6055

BOLT,Hex, M6 x 1 x 55mm, Cl 8.8

2шт.

13

BN302424

ELBOW

16MOR-16MBX90LL

2шт.

14

BN302547

90 ELBOW

9/16-18 x 7/16-20, ZND

4шт.

14a

167268

O-RING,0.116" Thk x 1.171" ID, -916, Cl 6, 90 Duro

1шт.

O-ring boss end

1шт.

14b

238-6021

O-RING,15/16 X 1 - 1/16, Cl 6

1шт.

Face seal end

1шт.

15

BN302549

ELBOW

4MOR-6MBX90

1шт.

16

BN302553

ELBOW

11/16-16 ORFS x 9/16-18 ORB

8шт.

16a

237-6006

O-RING,0.078" Thk x 0.468" ID, -906, Cl 6, 90 Duro

2шт.

16b

9993141

O-RING,0.07" Thk x 0.364" ID, -12, Cl 6, 90 Duro

2шт.

17

BN302574

ELBOW

16MOR-16MBX90

2шт.

20

BN302640

FITTING

4MOR-4MB

4шт.

21

BN302641

FITTING

4MOR-6MB

1шт.

22

BN302655

FITTING

12MOR-12MB

1шт.

23

BN304137

VALVE

Block W Solenoid

2шт.

24

BN304138

VALVE

Block W/O Solenoid

2шт.

26

BN322125

HYDRAULIC PUMP,75 CC

Pump HYD. 90 75CC W/A 11T

1шт.

26

BN322125R

REMAN-HYD PUMP

SPX4260

1шт.

26

BN322125C

CORE-HYDRAULIC PUMP

Return Number

1шт.

27

BN307804

HOSE ASSY.

1шт.

28

BN307805

HOSE ASSY.

1шт.

29

BN317601

HOSE ASSY.

20 X 26"

1шт.

30

BN307885

HOSE ASSY.

4 X 27"

1шт.

31

BN307886

HOSE ASSY.

4 X 21"

1шт.

32

BN307887

HOSE ASSY.

4 X 28"

1шт.

33

BN307888

HOSE ASSY.

4 X 30"

1шт.

34

BN316492

PUMP,28 CC

Pres Comp. 1.16

1шт.

34

BN316492R

REMAN-HYD PUMP

SPX4260 (11/01-6/04)

1шт.

34

BN316492C

CORE-HYDRAULIC PUMP

Return Number

1шт.

34a

238-5155

O-RING,0.103" Thk x 3.987" ID, -155, Cl 5, 75 Duro

1шт.

Used on the nose of hydraulic pump BN316492

1шт.

35

BN307993

NIPPLE, LUBE

NIPPLE Diagnostic - 6FFOR

5шт.

36

BN308044

PACKAGE

Valve-Pressure Limiter

1шт.

See Fig. 06-024

1шт.

43

88870

BOLT,Hex, 7/16" - 14 x 2 3/4", Gr 5

16шт.

45

BN53950

SENSOR

Pressure, N.O.200 PSI

1шт.

46

BN53961

ADAPTER

Int. Pipe-37 Flare

1шт.

47

BN57223

FITTING

16MOR-16MB

4шт.

48

BN60479

PLUG

1 5/16-12 O-Ring-Hex

4шт.

49

120104

BOLT,Hex, M8 x 1.25 x 20mm, Cl 8.8

2шт.

52

BN302639

ELBOW

12MOR-12MBX45

1шт.

53

BN302583

FITTING

6MOR-6MOR-6MBX

4шт.

56

BN313038

FITTING

6MB-6MB

1шт.

57

BN314775

VALVE

Shunt -2 Cavity

1шт.

60

BN314930

TUBE

HYD., Shunt 90

1шт.

61

BN302646

FITTING

11/16-16 ORFS x 9/16-18 ORB

1шт.

62

BN314945

HOSE ASSY.

2шт.

63

BN316599

REPAIR KIT

1-1/4 Split Flange Co 61

1шт.

Incl 2 Clamps, 70921117, 4 Bolts, 9637916, 4 Lock Washers, 92-11044, 1 O Ring, 235757

1шт.

64

BN55235

BOLT,Hex, 1/2"-13 x 1 1/2", G8, Full Thd

2шт.

65

BN300176

WASHER

Flat, 1/2, G8

12шт.

Выбрано товаров: 63