Запчасти Case IH SPX4260 (234) - MID-TECH PLUMBING ASSEMBLY (78) - SPRAYING

Схема запчастей Case IH SPX4260 - (234) - MID-TECH PLUMBING ASSEMBLY (78) - SPRAYING
5
17
23
14
15
2
14
2
12
26
20
1
10
9
25
22
13
18
8
10
19
9
27
24
16
5
12
4
11
24
24
7
6
24
3
21
FIT
1:1
100%

Артикул

Название

Примечание

Количество

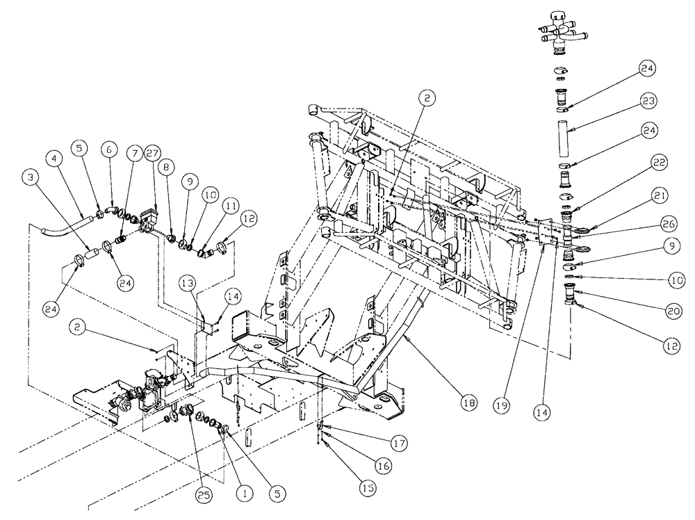
1

BN306902

FITTING,2" Flange x 1-1/4" Male NPT, Poly

Straight 2" Flange x 1.25 Male

1шт.

2

BN304419

NUT

M10-1.5, NLN, 10.9

6шт.

3

BN313926

HOSE

2" ID x .5'

1шт.

4

BN313422

HOSE

knaflex 1 1/2 D x 2'

1шт.

5

BN76093

HOSE CLAMP

#28, SS

2шт.

6

BN304321

FITTING,2" Flange x 1-1/2" 90 Degree Hose Barb Elbow

2" Flange x 1 1/2" Hose Barb, Poly

1шт.

7

BN313927

FITTING

barb, 1.5 NPT x 2 HS

1шт.

8

BN303190

FITTING,2" Flange x 1-1/2" NPT, Poly

2" Flange x 1-1/2" NPT, Poly

2шт.

9

BN303199

CLAMP,2" Flange

2" Standard Flange

7шт.

10

BN303204

GASKET,1-1/2" EPDM Gasket

2" Flange, EPDM

7шт.

11

405781A1

FITTING,2" Flange x 2" 90 Degree Hose Barb Elbow

2" Flange X 2" Hose Barb, Poly

1шт.

13

BN313906

MOUNTING PARTS

midtech valve

1шт.

14

BN301045

BOLT,Hex, M10 x 25, 10.9, Full Thd

6шт.

16

BN300497

WASHER,M8, 10.9

4шт.

20

405780A1

FITTING,2" Flange x 2" Hose Barb

2" Flange x 2" Hose Barb, Poly

3шт.

23

BN313423

HOSE,2.00" ID x 16.00"

EPDM

1шт.

24

BN76056

HOSE CLAMP

#36

4шт.

25

405779A1

TEE,2" Port Flanged Tee

Poly 2" Flange Manifold

1шт.

26

BN306098

METER

flow- RFM 100

1шт.

27

BN321447

VALVE

Autorange, 1.5" Poly

1шт.

Выбрано товаров: 20