Запчасти Case IH SPX4260 (280) - CHEMICAL INDUCTOR PACKAGE (78) - SPRAYING

Схема запчастей Case IH SPX4260 - (280) - CHEMICAL INDUCTOR PACKAGE (78) - SPRAYING
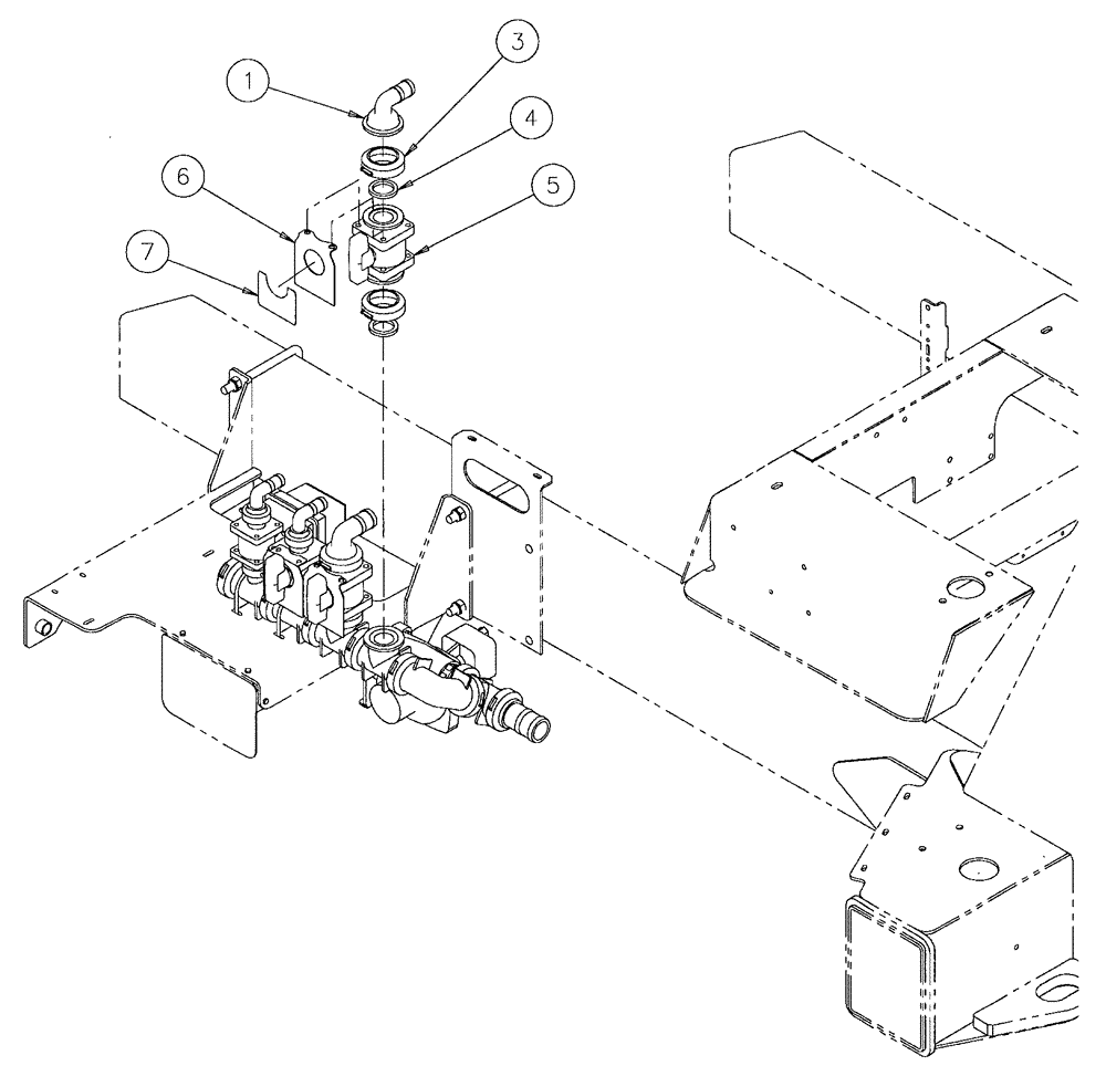
1
3
4
5
7
6
FIT
1:1
100%

Артикул

Название

Примечание

Количество

1

BN303189

FITTING,2" Flange x 1-1/4" 90 Degree Hose Barb Elbow

2" Flange x 1-1/4" Hose Barb, Poly

1шт.

3

BN303199

CLAMP,2" Flange

2" Standard Flange

1шт.

4

BN303204

GASKET,1-1/2" EPDM Gasket

2" Flange, EPDM

1шт.

5

BN304328

VALVE,2" FP Valve w/C-Flng & T Handle

ball, 2" FL, W/T HNDL

1шт.

6

BN320997

BRACKET

Decal Mount (SS)

1шт.

7

BN306587

DECAL

inductor flow

1шт.

Выбрано товаров: 6