Запчасти Case IH SPX4260 (283) - AIM NAVIGATOR MOUNTING KIT (78) - SPRAYING

Схема запчастей Case IH SPX4260 - (283) - AIM NAVIGATOR MOUNTING KIT (78) - SPRAYING
8
10
13
12
13
6
2
4
3
1
14
1
5
9
7
1
2
12
11
FIT
1:1
100%

Артикул

Название

Примечание

Количество

1

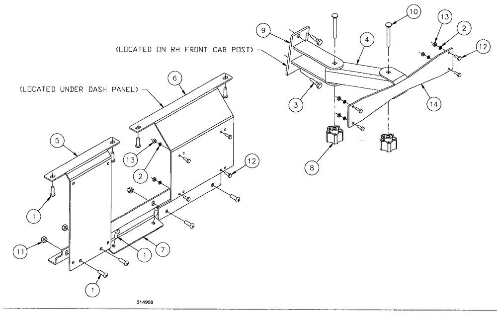
161-115

HEX SOC SCREW,Btn Hd, 1/4" - 20 x 3/4"

10шт.

Part available only through Case's North American Parts Organization (NAPO).

1шт.

2

BN2303406

LOCK WASHER

#8

8шт.

3

BN302861

BOLT

1/4 x 1, HH, G2, 23ST

2шт.

4

BN310586

TUBE

1-1/2, display MNT

1шт.

5

BN310663

MOUNTING PARTS

GPS

1шт.

6

BN310664

MOUNTING PARTS

task COMP.

1шт.

7

BN310665

MOUNTING PARTS

aim NAV. SYS.

1шт.

8

BN311530

KNOB

clamping, 1/4-20

2шт.

9

BN313817

MOUNTING PARTS

display

1шт.

10

433-436

CARRIAGE BOLT,Sq Nk, 1/4" - 20 x 2 1/4", Gr 5

2шт.

Part available only through Case's North American Parts Organization (NAPO).

1шт.

11

BN50051

NUT,1/4"-20, USR

4шт.

12

BN50794

BOLT

8-32 x .5, RD

8шт.

13

BN50975

NUT

#8-32 (Steel)

8шт.

14

BN313887

BRACKET

stiffener, display

1шт.

Выбрано товаров: 16