Качественные детали и логистика
Оригинальные и аналоговые запчасти с доставкой по России, Казахстану и Беларуси
©2022 PartSell ООО "Система" ИНН 2463123282 ОГРН 1212400004838
Центральный офис: г. Красноярск, Академика Киренского, д.87, пом.4
Телефон: 8 (800) 777-65-74 Email: zakaz@partsell.ru
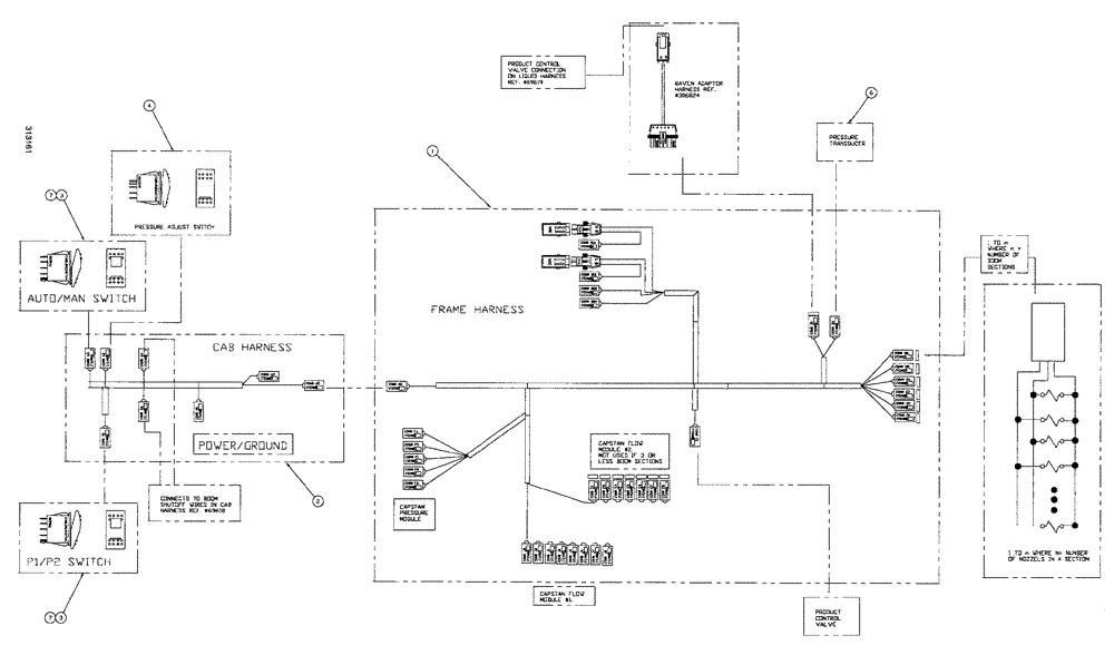
(308) - ELECTRICAL GROUP, RAVEN/MID-TECH (AIM COMMAND)
№
Артикул
Название
Примечание
Количество
1
BN306506
WIRE HARNESS
Aim-SPX
1шт.
2
BN306532
HARNESS
Synchro, SPX cab
3
BN65934
SWITCH
Single Pole, On-Off
4
BN65942
W/Handle On-Off-On
6
87268470
SENSOR
Pressure, Aim Command
Выбрано товаров: 0