Запчасти Case IH SPX4260 (312) - RAVEN CONTROLLER ASSEMBLY (AIM COMMAND) (78) - SPRAYING

Схема запчастей Case IH SPX4260 - (312) - RAVEN CONTROLLER ASSEMBLY (AIM COMMAND) (78) - SPRAYING
2
4
1
3
FIT
1:1
100%

Артикул

Название

Примечание

Количество

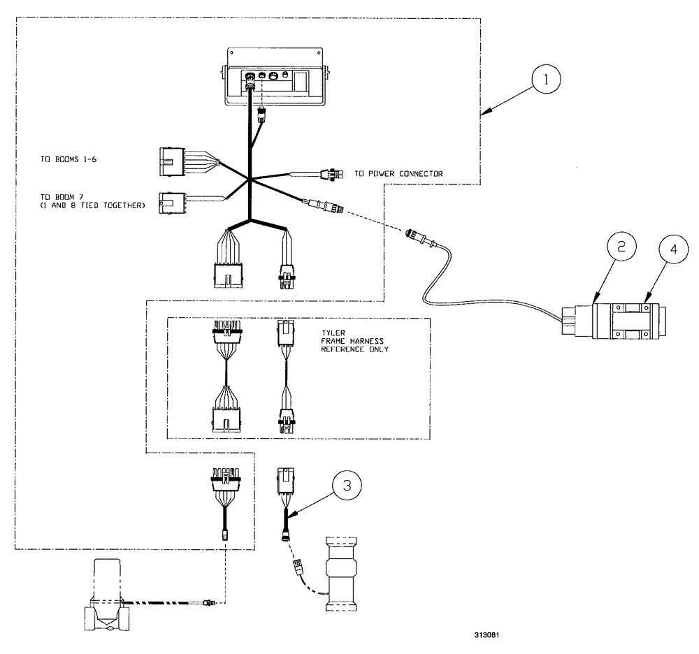
1

BN313986

CONTROL

system, Raven SCS 460

1шт.

2

BN95030A

RADAR

Ground Speed

1шт.

2

BN95030AR

SENSOR

SPX4260 SPX-SERIES PATRIOT SPRAYER, Ground Speed (4/99-11/01)

1шт.

2

BN95030AR

SENSOR

SPX4260 SPX-SERIES PATRIOT SPRAYER, Ground Speed (4/99-11/01)

1шт.

2

BN95030AC

CORE-SENSOR

Return Number

1шт.

2

BN95030AC

CORE-SENSOR

Return Number

1шт.

3

BN69626

HARNESS

flowmeter adapter

1шт.

4

BN98411

BRACKET

Kit, Mtg - Radar Gun

1шт.

Выбрано товаров: 8