Запчасти Case IH SPX4260 (042) - WASTEGATE ACTUATOR (10) - ENGINE

Схема запчастей Case IH SPX4260 - (042) - WASTEGATE ACTUATOR (10) - ENGINE
9
6
6
7
7
12
10
11
4
2
8
1
3
6
FIT
1:1
100%

Артикул

Название

Примечание

Количество

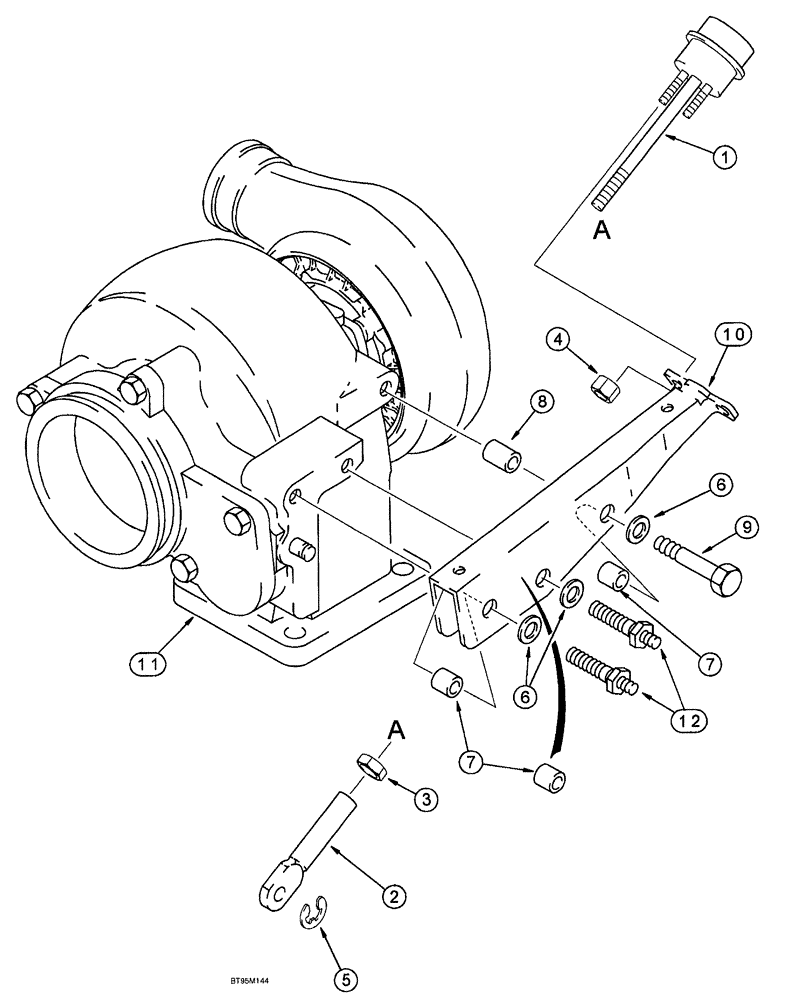
1

J531892

ACTUATOR

turbo wastegate

1шт.

1

J531892

ACTUATOR

turbo wastegate

1шт.

J531892C

CORE-HYD CYLINDER

Return Number, ACTUATOR - for N.A. Only

1шт.

2

J528177

LINK

adjusting

1шт.

6

86624184

WASHER,9mm ID x 16mm OD x 1.6mm Thk

3шт.

3

425-155

JAM NUT,Jam, 5/16"-24, G5

1шт.

4

J528204

LOCK NUT

lock

1шт.

5

J528221

CIRCLIP

retaining

2шт.

5a

NSS

NOT SOLD SEPARAT

HOUSING - turbine and actuator bracket

1шт.

7

J532195

SPACER,9.38mm ID x 16.03mm OD x 13.7mm L

mounting short

3шт.

8

J532196

SPACER,9.38mm ID x 16.03mm OD x 19mm L

mounting long

1шт.

9

814-8055

BOLT,Hex, M8 x 1.25 x 55mm, Cl 8.8

1шт.

10

J533328

SUPPORT

BRACKET - wastegate actuator

1шт.

11

NSS

NOT SOLD SEPARAT

HOUSING -turbine

1шт.

12

J535874

STUD

actuator bracket

2шт.

Выбрано товаров: 15