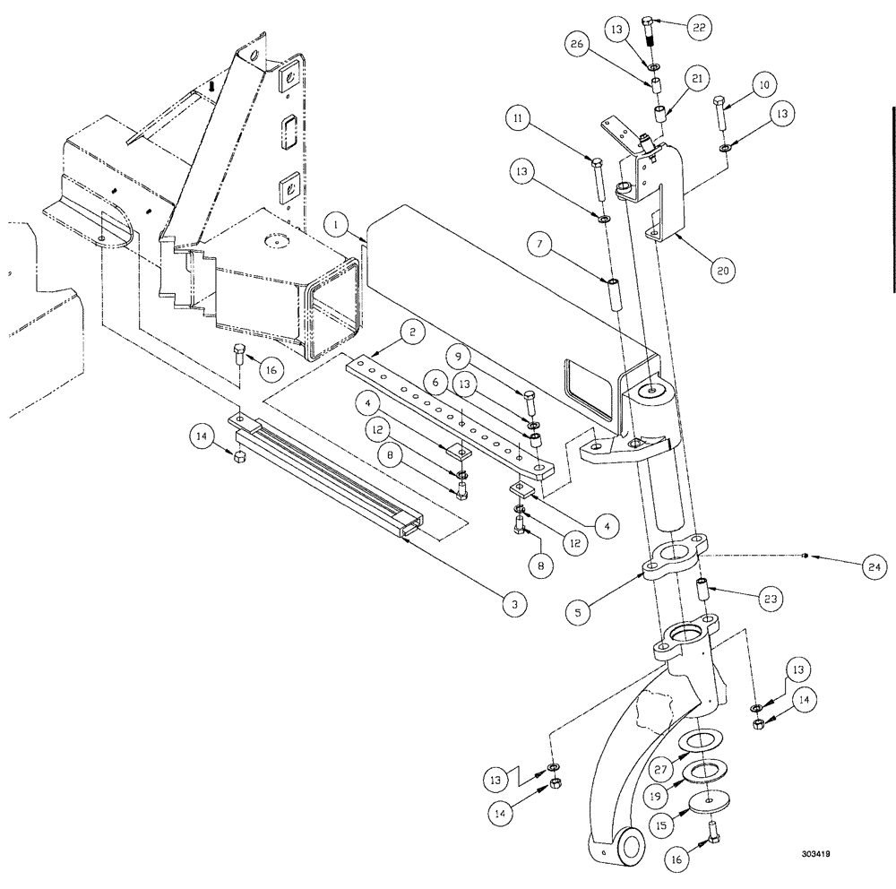
Запчасти Case IH SPX4260 (106) - AXLE ASSEMBLY NON STEER LR (27) - REAR AXLE SYSTEM

Схема запчастей Case IH SPX4260 - (106) - AXLE ASSEMBLY   NON STEER LR (27) - REAR AXLE SYSTEM
4
2
3
8
6
16
13
11
13
13
9
19
21
1
24
13
14
12
14
20
8
22
12
13
23
5
14
10
4
13
16
27
26
7
15
FIT
1:1
100%

Артикул

Название

Примечание

Количество

1

BN312608

AXLE

ASSEMBLY 120-152 RH

1шт.

2

BN301937

BAR

axle adjust

1шт.

3

BN301944

SLIDE

1шт.

4

BN301938

STOP

2шт.

5

BN312634

SPACER

Non-Steer

1шт.

6

BN301998

DOWEL

Hollow

1шт.

7

BN323822

DOWEL

1.25 od x .810 id x 4.035" long

1шт.

8

953029

BOLT,Hex, M20 x 35mm, Cl 8.8

2шт.

9

86639154

BOLT,Hex, M20 x 65mm, Cl 10.9

1шт.

10

9843612

BOLT,Hex, M20 x 2.5 x 100mm, Cl 10.9

1шт.

11

84025013

BOLT,Hex, M20 x 140mm, Cl 10.9

1шт.

12

BN300528

LOCK WASHER

M20, 10.9

2шт.

13

86639847

WASHER,21.8mm ID x 44.5mm OD x 5mm Thk

6шт.

14

380424

NUT,M20 x 2.5, Cl 8

3шт.

15

BN302052

WASHER,20.32mm ID x 139.7mm OD

1шт.

16

86500658

BOLT,Hex, M20 x 2.5 x 45mm, Cl 10.9

2шт.

19

BN306727

WASHER

spacer

1шт.

20

PIVOT HOSE MNT ASSY.LR (See Figure 108)

1шт.

21

BN307708

BUSHING

UHMW hose

1шт.

22

412641

BOLT,Hex, M20 x 2.5 x 70mm, Cl 10.9

1шт.

23

BN301997

DOWEL

hollow

1шт.

24

BN302051

NIPPLE, LUBE,M8 x 1, Straight

NIPPLE 8 mm x 1 Straight

1шт.

26

BN313691

BUSHING

tube

1шт.

27

BN302028

WASHER, THRUST

1шт.

Выбрано товаров: 24