Запчасти Case IH SPX4260 (192) - HYDROSTATIC PUMP (29) - HYDROSTATIC DRIVE

Схема запчастей Case IH SPX4260 - (192) - HYDROSTATIC PUMP (29) - HYDROSTATIC DRIVE
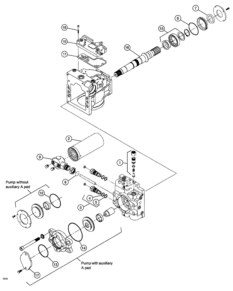
6
11
1
10
5
15
9
4
8
3
12
16
18
13
14
2
7
17
FIT
1:1
100%

Артикул

Название

Примечание

Количество

1

BN300952

KIT

Charge Relief

1шт.

2

N14232

FILTER

Element, Spin On

1шт.

3

BN65540

VALVE

Multi-Function 90 Series

2шт.

4

BN65541

O-RING

M/F Valve Upper

2шт.

5

BN65542

O-RING

M/F Valve Lower

2шт.

6

BN65544

O-RING

Shaft, 75 CC

1шт.

7

BN65546

SEAL

Lip, Shaft 75 CC

1шт.

8

BN68470

O-RING

Filter Head, 90 Pump

1шт.

9

BN69597

FILTER HEAD

Filter Mount, 90 Series, Head Only

1шт.

10

BN312701

CONTROL

HDC complete

1шт.

11

BN312702

GASKET

HDC control

1шт.

12

BN312703

O-RING

charge pump cover

1шт.

13

BN312704

O-RING

SAE A Pad

1шт.

14

BN312705

O-RING,0.103" Thk x 4.737" ID, -158, Cl 7, 75 Duro

Auxiliary Flange

1шт.

15

BN312706

BEARING, ROLLER,40mm ID x 90mm OD x 23mm W

1шт.

16

BN312707

SHAFT

14T 12/24

1шт.

17

BN312708

PLATE

cover

1шт.

18

BN312709

SCREW

6шт.

0

BN306383

PUMP, HYDROSTATIC

HYDROSTATIC PUMP Complete Pump With Auxilliary A Pad

1шт.

BN322125R

REMAN-HYD PUMP

HYDROSTATIC PUMP Complete Pump With Auxilliary A Pad

1шт.

BN322125C

CORE-HYDRAULIC PUMP

Return Number

1шт.

0

BN300901

PUMP, HYDROSTATIC

HYDROSTATIC PUMP Complete Pump Without Auxilliary A Pad

1шт.

BN322126R

REMAN-HYD PUMP

HYDROSTATIC PUMP Complete Pump Without Auxilliary A Pad

1шт.

BN322126C

CORE-HYDRAULIC PUMP

Return Number

1шт.

Выбрано товаров: 24