Запчасти Case IH SPX4260 (162) - BOOM HITCH ASSEMBLY (PARALLEL LINKAGE) (35) - HYDRAULIC SYSTEMS

Схема запчастей Case IH SPX4260 - (162) - BOOM HITCH ASSEMBLY (PARALLEL LINKAGE) (35) - HYDRAULIC SYSTEMS
5
3
2
5
4
1
6
1
6
4
2
2
3
2
FIT
1:1
100%

Артикул

Название

Примечание

Количество

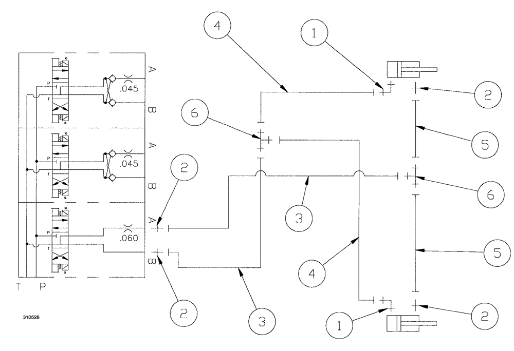
1

BN302553

ELBOW

11/16-16 ORFS x 9/16-18 ORB

2шт.

1a

237-6006

O-RING,0.078" Thk x 0.468" ID, -906, Cl 6, 90 Duro

2шт.

1b

9993141

O-RING,0.07" Thk x 0.364" ID, -12, Cl 6, 90 Duro

2шт.

2

BN302646

FITTING

11/16-16 ORFS x 9/16-18 ORB

4шт.

3

BN307877

HOSE ASSY.

2шт.

4

BN307875

HOSE ASSY.

2шт.

5

BN307878

HOSE ASSY.

2шт.

6

BN302512

FITTING

6MOR-6MOR-6MOR

2шт.

Выбрано товаров: 8