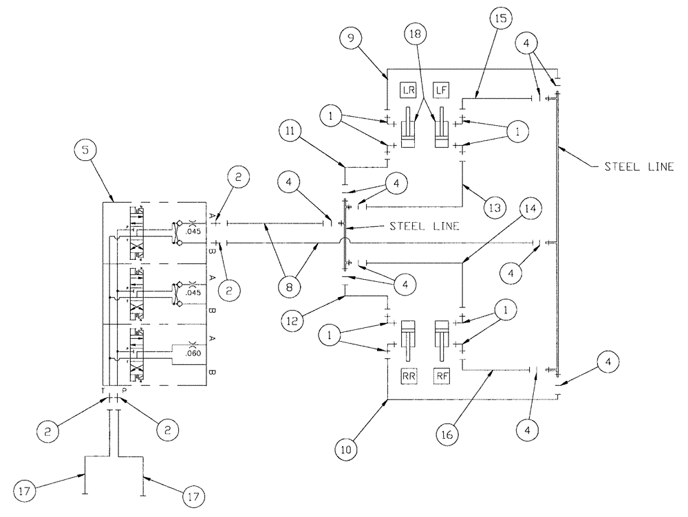
Запчасти Case IH SPX4260 (174) - AXLE HYDRAULIC GROUP (35) - HYDRAULIC SYSTEMS

Схема запчастей Case IH SPX4260 - (174) - AXLE HYDRAULIC GROUP (35) - HYDRAULIC SYSTEMS
9
18
12
13
14
4
1
4
2
2
10
4
1
1
17
5
4
4
4
11
8
15
4
16
1
17
2
2
FIT
1:1
100%

Артикул

Название

Примечание

Количество

1

BN302553

ELBOW

11/16-16 ORFS x 9/16-18 ORB

8шт.

1a

237-6006

O-RING,0.078" Thk x 0.468" ID, -906, Cl 6, 90 Duro

2шт.

1b

9993141

O-RING,0.07" Thk x 0.364" ID, -12, Cl 6, 90 Duro

2шт.

2

BN302646

FITTING

11/16-16 ORFS x 9/16-18 ORB

4шт.

4

BN305412

O-RING

for -6 FFOR

10шт.

5

NSS

NOT SOLD SEPARAT

VALVE.3-SECT (AXLE)

1шт.

See Fig. 188

1шт.

6

NSS

NOT SOLD SEPARAT

HYD. GRP STEEL TUBE

1шт.

See Fig. 180

1шт.

8

BN307814

HOSE

2шт.

9

BN307815

HOSE ASSY.

1шт.

10

BN307816

HOSE ASSY.

1шт.

11

BN307817

HOSE ASSY.

1шт.

12

BN307818

HOSE ASSY.

1шт.

13

BN307819

HOSE ASSY.

1шт.

14

BN307820

HOSE ASSY.

1шт.

15

BN307821

HOSE ASSY.

1шт.

16

BN307822

HOSE ASSY.

1шт.

17

BN307823

HOSE ASSY.

2шт.

18

NSS

NOT SOLD SEPARAT

CYLINDER AXLE GRP

1шт.

See Fig. 129

1шт.

86632567

HEADED PIN,30.14mm OD x 66.55mm L

8шт.

NSS

NOT SOLD SEPARAT

CYLINDER - AXLE 778 - 779

4шт.

See Fig. 205

1шт.

50161

WASHER Hex, 3/4"-10 x 5", G5

8шт.

BN50601

PIN, SPLIT (COTTER)

PIN, COTTER 3/16" x 3/4", Type E

8шт.

Выбрано товаров: 26