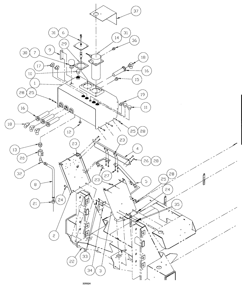
Запчасти Case IH SPX4260 (178) - OIL TANK ASSEMBLY (35) - HYDRAULIC SYSTEMS

Схема запчастей Case IH SPX4260 - (178) - OIL TANK ASSEMBLY (35) - HYDRAULIC SYSTEMS
20
14
10
28
7
2
31
18
8
16
34
31
25
35
30
13
21
33
17
23
5
23
24
28
23
6
37
1
3
26
28
24
25
32
19
28
36
12
29
22
27
9
25
4
11
16
18
15
FIT
1:1
100%

Артикул

Название

Примечание

Количество

1

BN319317

TANK

Oil

1шт.

2

BN305070

MOUNTING PARTS

oil tank, LH

1шт.

3

BN305075

MOUNTING PARTS

oil tank, RH

1шт.

4

BN305077

CHANNEL

1шт.

5

BN305074

SUPPORT

2шт.

6

BN322802

SWITCH

Level Temp Grp

1шт.

7

BN305158

FILTER ASSY

Breather

1шт.

BN316639

FILTER, ELEMENT

For Ref 7

1шт.

Gasket NSS

1шт.

8

BN307806

HOSE ASSY.

1шт.

9

BN53957

GAUGE

sight w/temperature

1шт.

10

BN55354

PLUG

1 5/8" -12 O-RING-hex

1шт.

11

BN60479

PLUG

15/16-12, o-ring hex

2шт.

12

BN52319

PLUG

Magnetic 1/2" NPT

1шт.

13

BN51656

ADAPTER

FT, STR, 1 NPTF, Male

1шт.

14

ASSY-FILTER IN TANK (See Figure 195)

1шт.

15

BN304900

PLUG

SAE-32

1шт.

16

BN303528

STRAINER ASSY.

32MBx- 20FB, 100

4шт.

17

BN302570

ELBOW

12MOR-16MB x 90

2шт.

18

BN302577

ELBOW

20MOR-20MB x 90

4шт.

19

BN302539

FITTING

8MOR-8MBX-8MOR

1шт.

20

BN21372

VALVE

Gate, 1" NPT

1шт.

21

BN22240

CROWN NUT,1-1/16"-12 , 37 Degree

1шт.

22

832-46416

NUT,M16 x 2, Cl 8

6шт.

23

BN304419

NUT

M10-1.5, NLN, 10.9

18шт.

24

86508623

BOLT,Hex, M16 x 30mm, Cl 10.9

6шт.

25

9515003

BOLT,Hex, M10 x 1.5 x 30mm, Cl 10.9

10шт.

26

BN301045

BOLT,Hex, M10 x 25, 10.9, Full Thd

4шт.

27

BN301044

BOLT,Hex, M10 x 20, 10.9, Full Thd

4шт.

28

BN300499

WASHER,M10, 10.9

18шт.

29

BN302982

GASKET,3.17mm Thk

cover plate

1шт.

30

BN301010

BOLT,Hex, M6 x 10, 10.9, Full Thd

3шт.

31

86528579

NUT,M8 x 1.25

9шт.

32

BN442008

ELBOW

45 -16MP x -16MJIC

1шт.

*33

627-8020

BOLT,Hex, M8 x 1.25 x 20mm, Cl 10.9, Full Thd

2шт.

34

BN311206

BRACKET

block mount

1шт.

*35

86505868

SERRATED NUT,Hex, M8 x 1.25, Cl 8

2шт.

36

BN305058

FITTING

20MOR-24MB

1шт.

37

BN313333

SHIELD

filter fitting

1шт.

Выбрано товаров: 39